Logo Passei Direto
Buscar

Lista BM

Ferramentas de estudo

Questões resolvidas

Tendo-se uma alimentação de 1000 kg/h de suco integral de fruta com 12% de sólidos solúveis em um evaporador, quanto se produz de suco concentrado com 40% de sólidos solúveis? Quanto de água será evaporada?

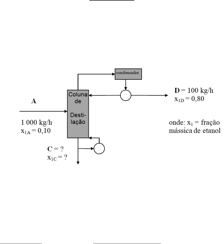
Alimenta-se uma coluna de destilação (como esquematizada na Figura), com 1000 kg/h de uma solução contendo 10% de etanol em peso, obtendo-se 100 kg/h de destilado com 80% em peso de álcool. Pede-se determinar a vazão de vinhaça (produto de cauda), sua composição e a quantidade percentual de álcool perdido no processo.

Deseja-se secar 100 kg/h de um vegetal que contém 85% de umidade. Para isto utiliza-se um secador no qual entra ar quente com umidade de 0,010 kg água/ kg de ar seco saindo do secador com umidade 0,040 kg água/kg ar seco. Sabendo-se que a vazão de ar é de 2500 kg/h de ar seco. Pede-se qual será a produção horária do produto seco e qual sua umidade.

Em um extrator de açúcar, entra cana de açúcar triturada e água, saindo bagaço lavado e uma solução rica em açúcares (15% de sólidos solúveis). O extrator tem capacidade para processar 1000 kg/h de cana e dispõe de alguns dados sobre a composição das correntes de entrada e saída. Considerando que consegue-se extrair 90% dos sólidos solúveis da cana e que toda a fibra sai no bagaço, calcule a vazão de água necessária para a extração.

Na fabricação de café solúvel, o extrato que sai dos extratores contém cerca de 25% de sólidos, sendo concentrado por evaporação até 42% de sólidos. Após a concentração, o extrato segue para o secador “Spray”, do qual sai com 5% de água. Como na evaporação perde-se muito mais aroma que na secagem, uma alternativa interessante é dividir o extrato em duas correntes: uma passa pelo evaporador e outra vai direto ao secador. Assim, se 1/5 do extrato for direto ao secador, qual a concentração do café na saída do evaporador de forma que a alimentação do secador tenha 42% de sólidos?

Devido a sazonalidade da matéria-prima uma indústria produz, durante a safra, polpa integral de goiaba com 12% de sólidos solúveis. Na entre safra é produzido doce cremoso e/ou doce em massa, ambos processados em uma mesma linha com capacidade de até 180 kg/h de polpa. A polpa é misturada com açúcar e evaporada até concentração conveniente. De acordo com os padrões legais, determine para cada tipo de doce, as vazões (kg/h) de água evaporada, de açúcar adicionado e de produto obtido.

Material
páginas com resultados encontrados.
páginas com resultados encontrados.
left-side-bubbles-backgroundright-side-bubbles-background

Crie sua conta grátis para liberar esse material. 🤩

Já tem uma conta?

Ao continuar, você aceita os Termos de Uso e Política de Privacidade

left-side-bubbles-backgroundright-side-bubbles-background

Crie sua conta grátis para liberar esse material. 🤩

Já tem uma conta?

Ao continuar, você aceita os Termos de Uso e Política de Privacidade

left-side-bubbles-backgroundright-side-bubbles-background

Crie sua conta grátis para liberar esse material. 🤩

Já tem uma conta?

Ao continuar, você aceita os Termos de Uso e Política de Privacidade

left-side-bubbles-backgroundright-side-bubbles-background

Crie sua conta grátis para liberar esse material. 🤩

Já tem uma conta?

Ao continuar, você aceita os Termos de Uso e Política de Privacidade

left-side-bubbles-backgroundright-side-bubbles-background

Crie sua conta grátis para liberar esse material. 🤩

Já tem uma conta?

Ao continuar, você aceita os Termos de Uso e Política de Privacidade

left-side-bubbles-backgroundright-side-bubbles-background

Crie sua conta grátis para liberar esse material. 🤩

Já tem uma conta?

Ao continuar, você aceita os Termos de Uso e Política de Privacidade

left-side-bubbles-backgroundright-side-bubbles-background

Crie sua conta grátis para liberar esse material. 🤩

Já tem uma conta?

Ao continuar, você aceita os Termos de Uso e Política de Privacidade

Questões resolvidas

Tendo-se uma alimentação de 1000 kg/h de suco integral de fruta com 12% de sólidos solúveis em um evaporador, quanto se produz de suco concentrado com 40% de sólidos solúveis? Quanto de água será evaporada?

Alimenta-se uma coluna de destilação (como esquematizada na Figura), com 1000 kg/h de uma solução contendo 10% de etanol em peso, obtendo-se 100 kg/h de destilado com 80% em peso de álcool. Pede-se determinar a vazão de vinhaça (produto de cauda), sua composição e a quantidade percentual de álcool perdido no processo.

Deseja-se secar 100 kg/h de um vegetal que contém 85% de umidade. Para isto utiliza-se um secador no qual entra ar quente com umidade de 0,010 kg água/ kg de ar seco saindo do secador com umidade 0,040 kg água/kg ar seco. Sabendo-se que a vazão de ar é de 2500 kg/h de ar seco. Pede-se qual será a produção horária do produto seco e qual sua umidade.

Em um extrator de açúcar, entra cana de açúcar triturada e água, saindo bagaço lavado e uma solução rica em açúcares (15% de sólidos solúveis). O extrator tem capacidade para processar 1000 kg/h de cana e dispõe de alguns dados sobre a composição das correntes de entrada e saída. Considerando que consegue-se extrair 90% dos sólidos solúveis da cana e que toda a fibra sai no bagaço, calcule a vazão de água necessária para a extração.

Na fabricação de café solúvel, o extrato que sai dos extratores contém cerca de 25% de sólidos, sendo concentrado por evaporação até 42% de sólidos. Após a concentração, o extrato segue para o secador “Spray”, do qual sai com 5% de água. Como na evaporação perde-se muito mais aroma que na secagem, uma alternativa interessante é dividir o extrato em duas correntes: uma passa pelo evaporador e outra vai direto ao secador. Assim, se 1/5 do extrato for direto ao secador, qual a concentração do café na saída do evaporador de forma que a alimentação do secador tenha 42% de sólidos?

Devido a sazonalidade da matéria-prima uma indústria produz, durante a safra, polpa integral de goiaba com 12% de sólidos solúveis. Na entre safra é produzido doce cremoso e/ou doce em massa, ambos processados em uma mesma linha com capacidade de até 180 kg/h de polpa. A polpa é misturada com açúcar e evaporada até concentração conveniente. De acordo com os padrões legais, determine para cada tipo de doce, as vazões (kg/h) de água evaporada, de açúcar adicionado e de produto obtido.

Prévia do material em texto

UTFPR – CAMPUS DE CAMPO MOURÃO 
CURSO DE ENGENHARIA DE ALIMENTOS 
DISCIPLINA: FUNDAMENTOS ENGENHARIA DE ALIMENTOS 
PROFESSORA: STÉPHANI 
 
LISTA DE EXERCÍCIOS 1 – BALANÇO DE MASSA 
 
 
E X E R C Í C I O S 
 
 
1 - Tendo-se uma alimentação de 1000 kg/h de suco integral de fruta com 12% de sólidos solúveis em um 
evaporador, quanto se produz de suco concentrado com 40% de sólidos solúveis? Quanto de água será 
evaporada? 
 
2 - Alimenta-se uma coluna de destilação (como esquematizada na Figura), com 1000 kg/h de uma 
solução contendo 10% de etanol em peso, obtendo-se 100 kg/h de destilado com 80% em peso de álcool. 
Pede-se determinar a vazão de vinhaça (produto de cauda), sua composição e a quantidade percentual de 
álcool perdido no processo. 
 
 
 
3 - Grãos de soja (12% de umidade em base úmida) contém 18% de óleo. Em um processo de prensagem, 
consegue-se extrair 80% do óleo original. 
a) Qual a concentração de óleo na torta? b) e a umidade? Suponha que o óleo extraído não contém 
umidade e nem arrasta sólidos da torta. 
 
4 - Para se produzir leite condensado açucarado (composição abaixo), faz-se a concentração do leite 
(composição típica abaixo), adicionando-se em seguida um xarope com 65% de sacarose. Para a produção 
de 1000 kg de leite condensado, calcule: a) Quantidade de leite utilizado. b) Quantidade de xarope e de 
açúcar. c) Quantidade de água evaporada. d) Composição química do leite condensado quanto a água, 
sacarose, proteína, gordura, ... 
 
composição do leite composição do leite condensado 
água ..............................87,0% água ....................................35% 
proteína ........................3,3% sacarose ..............................41% 
gordura .........................3,8% sólidos de leite ....................24% 
lactose ..........................4,8% 
sais minerais ................0,8% 
outros ...........................0,3% 
 
5 - Na produção de etanol a partir de soluções de sacarose, tem-se um rendimento de 90% sobre o 
máximo teórico. Quanto de etanol será produzido com 1000 litros de uma solução 10% em peso de 
sacarose a 30oC. Quanto se produz de CO2 e qual a concentração de etanol resultante? 
 
 
C H O O H OH 
12 22 11 5
 + H
2
4 C
2
+ 4 CO
2
 
 
sacarose etanol
→
 
 
 
6 - O óleo diesel pode ser representado pela cetona C16H34. Supondo que uma caldeira queima 20 kg de 
óleo com 400 kg de ar. 
a) Calcule a porcentagem molar de excesso de ar. 
b) Supondo que 20% do diesel queima produzindo CO e 80% queima produzindo CO2, determine a 
composição dos gases de chaminé. 
Considere o ar composto de 21 mol % de O2 (M=32,0) e 79 mol% de N2 atmosférico (M=28,2). 
 
7 - Morangos contém cerca de 15% de sólidos e 85% de água. Para a fabricação de geléia, estes são 
desintegrados com açúcar na proporção de 45:55, respectivamente. Sendo a mistura, evaporada até que o 
produto contenha 1/3 de água. Para produzir 1 kg de geléia: 
a) Quantos kg de morangos são necessários ? 
b) Quantos kg de açúcar são necessários? 
c) Quanto de água deve ser evaporada? 
 
8 - Deseja-se secar 100 kg/h de um vegetal que contém 85% de umidade. Para isto utiliza-se um secador 
no qual entra ar quente com umidade de 0,010 kg água/ kg de ar seco saindo do secador com umidade 
0,040 kg água/kg ar seco. Sabendo-se que a vazão de ar é de 2500 kg/h de ar seco. Pede-se qual será a 
produção horária do produto seco e qual sua umidade. 
 
9 - Uma usina de leite produz aproximadamente 1933 litros por hora de leite padronizado (2,5% de 
gordura) a 4oC a partir de leite com 3,8% de gordura. A padronização é realizada em uma centrífuga que 
separa creme de leite, composto de 35% de gordura e 65% de leite desnatado. 
a) Quanto de leite integral é alimentado no processo e quanto de creme é obtido ? 
b) Qual deverá ser a nova produção de leite padronizado em L/h e de creme em kg/h, partindo-se da 
mesma alimentação, mas ajustando a centrífuga para obter um creme com 70% de gordura e 30% de leite 
desnatado. 
 
10 - Em um extrator de açúcar, entra cana de açúcar triturada e água, saindo bagaço lavado e uma 
solução rica em açúcares (15% de sólidos solúveis). O extrator tem capacidade para processar 1000 kg/h 
de cana e dispõe de alguns dados sobre a composição das correntes de entrada e saída. Considerando que 
consegue-se extrair 90% dos sólidos solúveis da cana e que toda a fibra sai no bagaço, calcule a vazão de 
água necessária para a extração. 
 
cana triturada bagaço úmido 
70% água 93% água 
15% sólidos solúveis 10% dos sólidos solúveis originais 
15% fibras 100% das fibras originais 
 
11 - U tanque (cristalizador ou cozedor) contém 10 000 kg de uma solução saturada de sacarose a 60oC. 
Até que temperatura deve ser resfriada essa solução para cristalizar 2000 kg de sacarose? 
 
12 - Na fabricação de café solúvel, o extrato que sai dos extratores contém cerca de 25% de sólidos, sendo 
concentrado por evaporação até 42% de sólidos. Após a concentração, o extrato segue para o secador 
“Spray”, do qual sai com 5% de água. Como na evaporação perde-se muito mais aroma que na secagem, 
uma alternativa interessante é dividir o extrato em duas correntes: uma passa pelo evaporador e outra vai 
direto ao secador. Assim, se 1/5 do extrato for direto ao secador, qual a concentração do café na saída do 
evaporador de forma que a alimentação do secador tenha 42% de sólidos? 
 
 
 
 
 
13 - Em uma indústria de processamento de pescado salgado seco, o produto deve sair com as 
especificações recomendadas pela FAO, ou seja, 30% de umidade, 25% de sal e 45% de sólidos originais. 
Na etapa de salga, o sal adicionado deve ser suficiente para salgar o pescado e ainda propiciar a formação 
de salmoura saturada a 30oC (solubilidade de NaCl em água = 33,6 g / 100 g solução). Antes da salga o 
produto deve ter 70% de umidade e, após a mesma, 56,5%. Assim para uma produção de 1000 kg de 
produto. 
a) Qual a quantidade de pescado fresco? 
b) Qual a quantidade de sal adicionado? 
c) Qual a quantidade de água eliminada no secador? 
d) Determinar todas as correntes do sistema. 
 
 
 
14 - Sucos podem ser concentrados por crio-concentração, a qual consiste em congelar parcialmente o 
suco e, ao separar os cristais de água formados, resultar em uma solução mais concentrada. O grande 
problema existente é o arraste de suco concentrado pelos cristais de gelo, e uma forma de recuperar esse 
suco é efetuar a lavagem dos cristais com água, a qual retorna ao crio-concentrador. No esquema abaixo, 
suco (S) com 15% de sólidos alimenta o sistema, obtendo-se um produto (P) com 25% de sólidos. 
dados: 
1) A água de lavagem (W) adicionada é 5 (cinco) vezes a quantidade de solução aderida (C). 
2) Cada 0,1 kg de solução (C) ou (D) adere-se a 1 kg de gelo. 
3) O gelo que entra em (III) é igual ao gelo que sai em (III). 
Para cada kg de Produto obtido, pede-se determinar todas as correntes e as respectivas concentrações de 
sólidos, bem como a % de sólidos perdidos no sistema (descartado em D). 
 
 
15 - Repetir o problema (14) sem fazer o reciclo, introduzindo diretamente o suco (S) com concentração 
de 15% no cristalizador e descartando a corrente A. Qual será a perda de sólidos do fruto para manter o 
produto com os mesmos 25% de concentração de sólidos? 
 
16 - O fluxograma abaixo representa uma instalação para secagem de cenoura em fatias. O primeiro 
estágio é em paralelo, onde ar e cenoura entram no mesmo sentido. O segundo é em contra corrente 
(sentidos opostos). Metade do ar que sai do estágio 2 é misturado com ar novo, entrando a mistura no 
estágio 1. 
a) Qual a umidade do ar (U) descartado em kg H2O/kg ar seco? 
b) Qual a umidade da cenoura que sai do primeiro estágio? 
c) Qual a umidade do ar em M? 
 
 
A = 10 000 kg/h ar seco com 9 g água por kg ar seco 
T = ar com 50 g água por kg ar seco 
C = 1000 kg/h de cenoura fresca com 90% de umidade 
P = cenoura seca com 15% de umidade 
 
17) Determine as vazões e as concentrações de todas as correntesda unidade dupla de destilação, 
sabendo-se que há perda total de 5% do componente A nos produtos de cauda C1 e C2 (3% em C1 e 2% 
em C2). 
 
 
18) Devido a sazonalidade da matéria-prima uma indústria produz, durante a safra, polpa integral de 
goiaba com 12% de sólidos solúveis. Na entre safra é produzido doce cremoso e/ou doce em massa, 
ambos processados em uma mesma linha com capacidade de até 180 kg/h de polpa. A polpa é misturada 
com açúcar e evaporada até concentração conveniente. De acordo com os padrões legais, determine para 
cada tipo de doce, as vazões (kg/h) de água evaporada, de açúcar adicionado e de produto obtido. 
 
 Cremoso Em massa 
mínimo de sólidos (do fruto + açúcar) no produto final 55% 65% 
relação mínima fruta / açúcar 50 : 50 50 : 50 
 
 
 
 
 
 
19) Chá instantâneo (ou solúvel) pode ser produzido pelo processo descrito a seguir.: 
As folhas (25% de umidade, 25% de sólidos solúveis e 50% de sólidos insolúveis) são trituradas e 
misturadas com água a 45oC. A seguir, esta suspensão é filtrada, obtendo-se uma solução com 5% de 
sólidos solúveis e o resíduo sólido com 80% de umidade. Consegue-se retirar 90% dos sólidos solúveis da 
folha após extração e filtração. 
A solução é concentrada à vácuo (em um evaporador) até um conteúdo de 40% de sólidos solúveis, 
passando em seguida por um secador tipo “Spray”, do qual sai com 4% de umidade (base úmida) já na 
forma de pó. 
a) Faça um fluxograma do processo, identificando as correntes. 
b) Para cada 1 kg de produto produzido, determine a quantidade necessária de folhas e de água de 
extração. 
c) Quanto de água deve ser evaporada no evaporador e no secador? 
 
 
20) Uma empresa deseja produzir xarope de açúcar invertido (glicose+frutose) a partir da inversão 
enzimática da sacarose. As especificações do produto exigem concentração de 60% de sólidos totais, 
permitindo-se no máximo 2% de sacarose. 
O seguinte processo foi proposto pelo setor de engenharia: 
 
1) Reator isotérmico (40oC) de leito fixo, empacotado com sílica porosa contendo invertase imobilizada 
por ligação covalente. Para a vazão especificada (Figura), consegue-se inverter 98% da sacarose a glicose 
e frutose, segundo a reação: 
 
2) Evaporador a vácuo, concentrando o produto a 60% de sólidos e operando a 80oC. 
Pede-se: a) Determinar a corrente B (vazão e composição), b) Correntes P e EV (vazão e composição) e 
verifique se o xarope está dentro das especificações, c) Consulte o caderno de dados (para xarope 
C12H22O11 + H2O 
 Sacarose água 
 PM= 342,3 
C6H12O6 + C6H12O6 
 Glicose Frutose 
 PM = 180,16 
invertido) e estime a pressão no evaporador, descrevendo as considerações admitidas. 
 
21) Extrai-se óleo de torta de sementes com hexana em uma série de extratores em contra corrente, como 
esquematizada na Figura. 
 
 
 
O número de extratores é tal que extrai-se 95% do óleo presente na corrente de alimentação (Lo) 
passando-o para a corrente V1. 
A corrente pesada (L) constitui-se de fibras e solução aderida (hexana + óleo) e que cada kg de fibras 
absorve 1,5 kg de solução. 
A corrente leve (V) é constituída apenas de hexana e óleo. 
sendo: Lo = 1000 kg/h (10% óleo e 90% fibras) VN+1 = 3 000 kg/h de hexana pura. 
Pede-se determinar: 
a) Correntes V1 e LN em kg/h bem como suas respectivas concentrações em óleo. 
b) Determinar as correntes V2 , V3 , ... VN e L1 , L2 , ... LN+1 
 
22) A Figura a seguir, esquematiza um processo hipotético de produção de células (ex. fermento de 
panificação) a partir das seguintes etapas: 
 
(I) Um reator envolvendo os seguintes componentes: 
 
 (nutrientes) + (O2) (células) +(CO2) + (H2O) + (nutrientes) + (O2) 
 
e operando com uma razão de reciclo de 50% (D=E), com intuito de melhorar o desempenho do reator. 
 
(II) A corrente (E) passa por centrifugação e filtração, separando toda a massa celular, desviando-a para 
a corrente (F), a qual também arrasta parte dos nutrientes. 
A corrente (R), “água + nutrientes”, é reciclada ao processo, corrigindo-se a quantidade de água e 
nutrientes, transformando-a na corrente de alimentação (A). 
(III) Com intuito de manter as células vivas e secas, a corrente (F) é direcionada a um LIOFILIZADOR, 
obtendo-se um produto (P) com 5% de umidade. 
 
Pede-se determinar as vazões mássicas em (kg/h) de todas as correntes e as respectivas frações mássicas 
em nutrientes, células e água. 
OBS: xx = fração mássica de células xN = fração mássica de nutrientes xw = fração mássica de água. 
 
 
 
 
RESPOSTAS: 
 
(1) 300 kg/h e 700 kg/h (2) 900 kg/h com 2,22% de álcool em peso e 20% de perda (3) 4,2% e 14% de 
umidade (4) a) 1846,2 kg/h b) 630,8 kg/h e 410 kg/h c) 1477 kg/h d) 35%, 41%, 6,09%, 7,02%, 
8,86% , 1,48% e 0,55% para água, sacarose, proteína, gordura, lactose, sais minerais e outros, 
respectivamente. (5) 50,15 kg etanol, 47,91 kg de CO2 e 5,08% de etanol em peso. 
(6) a) 34% b) 74,2%, 5,95%, 7,70%, 1,93% e 10,22% molar em N2, O2, CO2, CO e H2O 
respectivamente. (7) a) 0,5938 kg b) 0,4858 kg c) 0,0796 kg (8) 25 kg/h com 40% de umidade (9) a) 
2083,33 kg/h e 83,33 kg/h respectivamente. b) 1974 L/h e 40,12 kg/h (10) 2257 kg/h (11) 27oC (12) 
50,6% sólidos (13) a) 2778 kg b) 321,3 kg c) 609,2 kg d) A=2778 kg B=2500 kg C=1500 kg 
D=1609,20 kg F=321,3 kg G=212,1 kg H= 609,20 kg. 
(14) S= 1,699 kg M=2,2816 kg A=B=1,2816 kg R=0,5825 kg e concentração de sólidos em R de 
4,17% (15) 6,67% de perdas (16) a) 0,06247 kg água/kg ar seco b) 84,67% em base úmida c) 0,02682 
kg água /kg ar seco. (17) D1 = 60,625 kg/h D2 = 50 kg/h C1 = 39,375 kg/h com xA1 = 0,0381 C2 = 
10,625 kg/h com xA2 = 0,09412 (18) para o doce cremoso, necessitamos diminuir a quantidade de açúcar 
e não evaporar, para obter a concentração desejada, mistura de 180 kg/h de polpa com 172 kg de açúcar, 
obtendo-se 55% SS. Para o doce em massa obtém-se 310,15 kg/h de produto e 49,85 kg/h de água 
evaporada. (19) b) 4,267 kg folha e 26,133 kg de água c) 16,8 kg no evaporador e 1,4 kg no secador. 
20) a) 10 000 kg/h com frações mássicas de 0,01; 0,2579; 0,2579 e 0,4742 para sacarose, glicose, frutose 
e água b) P=8763,3 e EV=1236,7 kg/h com composição de P de 1,14%; 29,43% e 40% de sacarose , 
glicose, frutose e água respectivamente c) ≅ 0,393 kg/cm2 ou 289 mmHg 
21) a) V1 = 1750 kg/h com 5,43% e LN = 2250 kg/h com 0,22% 
 b) L1 =L2 = ... = LN = 2250 kg/h V2=V3 = . . . = VN+1 = 3000 kg/h 
22) B= 1980 com (0,1589; 0,1213 e 0,7198) 
 C=1960 D=980 E= 980 com composição da corrente E 
 R = 490 kg/h com 25 de nutrientes e 98% de água 
 F = 490 Kg/h P = 257,89 kg/h (0,019; 0,931 e 0,05) 
 EV = 232,11 W = 219,8 N= 290,2 kg/h

Mais conteúdos dessa disciplina