Logo Passei Direto
Buscar
Material
páginas com resultados encontrados.
páginas com resultados encontrados.

Prévia do material em texto

UFOB – CMBJL 
LAP2038 – Vibrações Mecânicas 
Período Letivo Especial I - 2021 
Prof. Rodrigo Estrela 
 
2ª LISTA DE EXERCÍCIOS 
(Entrega até 16/04 via Moodle) 
 
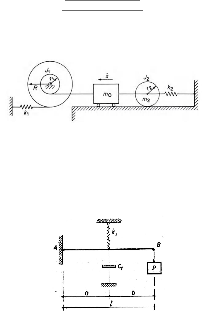
1) Encontrar a Equação Diferencial do Movimento para o sistema abaixo. Usar a 
Segunda Lei de Newton e a Eq. Da Inércia de Rotação. O disco à direita rola sem 
deslizar. Os cabos são inextensíveis e as molas lineares. 
 
2) Para o sistema abaixo, pede-se: 
a) A Equação Diferencial do Movimento 
b) A Frequência Natural 
c) O coeficiente de amortecimento crítico 
A barra é rígida, de massa desprezível, e articulada em A. O peso (não a massa!) na 
extremidade vale P. As dimensões estão indicadas no desenho. K1 é a rigidez da mola 
linear e C1 o amortecimento linear. 
 
 
 
3) O mecanismo mostrado na figura abaixo oscila em relação ao pivô O e cada mola é 
mantida com tração inicial de 𝑇0 na posição neutra θ = 0. Determinar a equação diferencial 
do movimento e o período para pequenas oscilações. O conjunto tem massa m, centro de 
massa em G e um momento de inércia I em relação a O. Use a Equação de Newton e a 
Equação da Inércia de Rotação para resolver o problema.

Mais conteúdos dessa disciplina