Logo Passei Direto
Buscar
Material
páginas com resultados encontrados.
páginas com resultados encontrados.
left-side-bubbles-backgroundright-side-bubbles-background

Crie sua conta grátis para liberar esse material. 🤩

Já tem uma conta?

Ao continuar, você aceita os Termos de Uso e Política de Privacidade

Prévia do material em texto

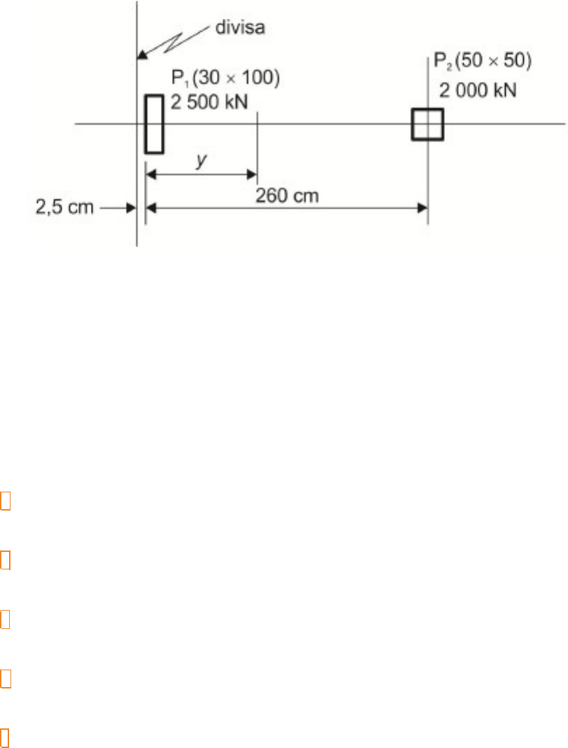
Para o projeto de uma sapata associada, considere os pilares P1 e P2 abaixo:
Dados:
− Tensão admissível do solo: 0,3 MPa
No dimensionamento da fundação para os pilares P1 e P2, o centro de carga (ponto de aplicação da resultante) estará
Alternativas
A
mais próximo do pilar P1 e, portanto, a sapata terá a forma de um trapézio com área de 15 m2. 
B
equidistante de P1 e P2 e, portanto, a sapata terá a forma de um trapézio com área de 7 m2. 
C
equidistante de P1 e P2 e, portanto, a sapata terá a forma de um retângulo com área de 15 m2. 
D
mais próximo do pilar P1 e, portanto, a sapata terá a forma de um retângulo com área de 9 m2. 
E
mais próximo do pilar P2 e, portanto, a sapata terá a forma de um trapézio com área de 2 m2.
image1.png

Mais conteúdos dessa disciplina