Logo Passei Direto
Buscar
Material
páginas com resultados encontrados.
páginas com resultados encontrados.
left-side-bubbles-backgroundright-side-bubbles-background

Crie sua conta grátis para liberar esse material. 🤩

Já tem uma conta?

Ao continuar, você aceita os Termos de Uso e Política de Privacidade

left-side-bubbles-backgroundright-side-bubbles-background

Crie sua conta grátis para liberar esse material. 🤩

Já tem uma conta?

Ao continuar, você aceita os Termos de Uso e Política de Privacidade

Prévia do material em texto

ENGENHARIA ELÉTRICA/COMPUTAÇÃO – UFES 2020/2 
 
Análise e Modelagem de Sistemas Dinâmicos 
Aluno(a): 
Avaliação Final – 17/05 – Prof. Klaus Fabian Côco 
• A solução das questões pode ser a lápis. 
• A interpretação dos enunciados das questões é parte da avaliação. 
• Ao final da prova, enviar um arquivo no formato PDF com as fotos das soluções para o e-mail: klaus.coco@ufes.br 
• A interpretação dos enunciados das questões é parte da avaliação. 
Questões 
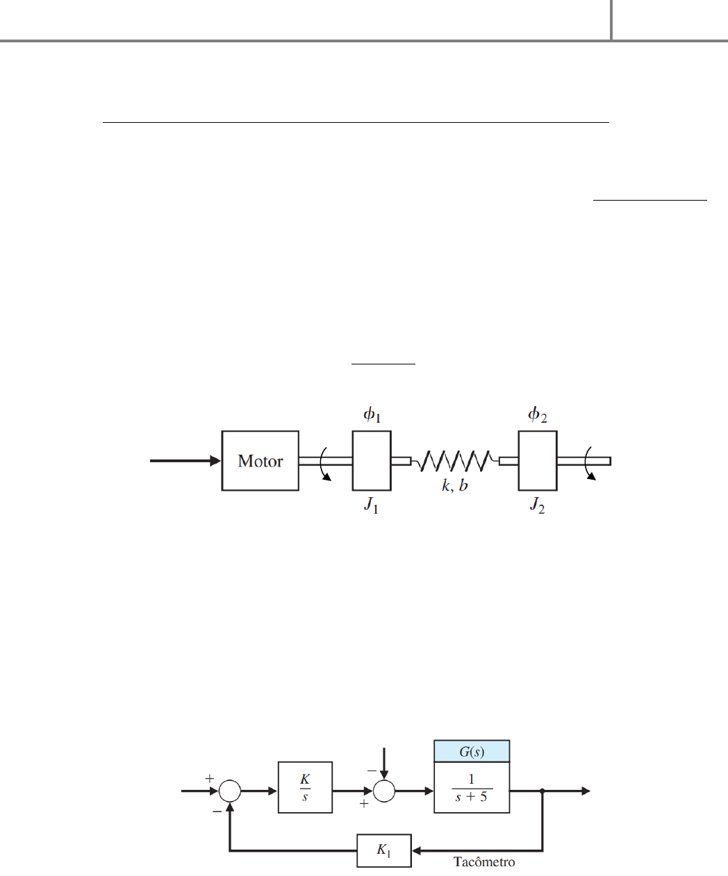
1. O esquema abaixo representa o braço de um robô. O motor girando no cotovelo move o pulso através do 
antebraço com alguma flexibilidade modelada pela mola com constante elástica 𝑘 e constante de 
amortecimento 𝑏 associado ao material da mola. Considerando como variáveis de estado 𝑞1 = 𝜙1 − 𝜙2 e 
𝑞2 = 𝜔1 𝜔0⁄ e 𝑞3 = 𝜔2 𝜔0⁄ onde: 
𝜔0
2 =
𝑘(𝐽1 + 𝐽2)
𝐽1𝐽2
 
 
 
 
 
Escreva as Equações de Estado do sistema na forma matricial. (2,5pt) 
2. Um sistema de controle de velocidade é mostrado no diagrama abaixo. 
a. Determine qual a faixa de valores de 𝐾1 em que o |𝑒𝑠𝑠| ≤ 1% para uma entrada em degrau unitário. 
(1,25pt) 
b. Determine para que valores de 𝐾 a magnitude do erro em estado estacionário na entrada do 
controlador, para o distúrbio do vento 𝑇𝑑(𝑡) = 2𝑡 [𝑚𝑟𝑎𝑑 𝑠⁄ ], 0 ≤ 𝑡 < 5[𝑠], é menor que 0,1[𝑚𝑟𝑎𝑑]. 
(1,25pt) 
 
 
 
 
 
 
𝑖(𝑡) 𝜔2 𝜔1 
Cotovelo Pulso 
Corrente 
𝑇𝑑(𝑠) 
𝜔(𝑠) 
Velocidade 
𝜔𝑑(𝑠) 
𝐸(𝑠) 
ENGENHARIA ELÉTRICA/COMPUTAÇÃO – UFES 2020/2 
 
3. Um amplificador magnético de baixa impedância em série com um pré-amplificador e um filtro passa-baixa é 
mostrado na figura abaixo. O amplificador tem alta-impedância e ganho unitário. Selecione um valor para a 
capacitância 𝐶 tal que a 𝑉𝑜(𝑠) 𝑉𝑖(𝑠)⁄ tenha uma razão de amortecimento de 1 √2⁄ . A constante de tempo do 
amplificador é 𝜏 = 1[𝑠] e o ganho é 𝐾 = 10. (2,5pt) 
 
 
 
 
 
 
4. Obtenha a relação 𝑋𝑜(𝑠) 𝑋𝑖(𝑠)⁄ para o sistema mecânico esquematizado abaixo. (2.5pt) 
 
𝑉𝑖(𝑠) 
𝑉𝑜(𝑠)

Mais conteúdos dessa disciplina