Logo Passei Direto
Buscar
Material
páginas com resultados encontrados.
páginas com resultados encontrados.
left-side-bubbles-backgroundright-side-bubbles-background

Crie sua conta grátis para liberar esse material. 🤩

Já tem uma conta?

Ao continuar, você aceita os Termos de Uso e Política de Privacidade

left-side-bubbles-backgroundright-side-bubbles-background

Crie sua conta grátis para liberar esse material. 🤩

Já tem uma conta?

Ao continuar, você aceita os Termos de Uso e Política de Privacidade

Prévia do material em texto

Universidade Federal Rural de Pernambuco 
Unidade Acadêmica do Cabo de Santo Agostinho 
2º Período Letivo Excepcional (PLE) 
Disciplina: Vibrações Mecânicas 
Professor: Philippe Eduardo de Medeiros 
 
PRIMEIRA LISTA DE EXERCÍCIOS 
 
Questão 1. Um sistema massa-mola tem uma 
frequência natural de 10 Hz. Quando a 
constante elástica é reduzida de 800 N/m, a 
frequência é alterada em 45 %. Determine a 
massa e a constante elástica do sistema 
original. 
Questão 2. Uma unidade de resfriamento de ar 
com peso de 2.000 lb deve ser apoiada por 
quatro molas. Calcule as molas de modo que a 
frequência natural de vibração da unidade 
fique entre 5 rad/s e 10 rad/s. 
Questão 3. Três molas e uma massa estão 
ligadas a uma barra rígida sem peso PQ, como 
mostra a figura abaixo. Determine a frequência 
natural de vibração do sistema. 
 
Questão 4. As molas de suspensão de um 
automóvel cuja massa é 2.000 kg sofrem uma 
deflexão de 0,02 m sob condições estáticas. 
Determine a frequência natural do automóvel 
no sentido vertical, considerando o 
amortecimento desprezível. 
Questão 5. Determine a frequência natural de 
vibração de um sistema massa-mola colocado 
sobre um plano inclinado, como mostra a 
figura abaixo: 
 
Questão 6. Desenhe o diagrama de corpo livre 
e derive a equação de movimento pela segunda 
lei do movimento de Newton para o sistema 
mostrado na figura abaixo. 
 
Questão 7. Derive uma expressão para a 
frequência natural do pêndulo simples 
mostrado na Figura abaixo. Determine o 
período de oscilação de um pêndulo simples 
com massa m = 5 kg e comprimento l = 0,5 
m. 
 
Questão 8. Para o sistema massa-mola-
amortecedor, m = 50 kg e k = 5.000 N/m. 
Determine o seguinte: 
a) A constante de amortecimento crítico, cc; 
c) A frequência natural amortecida quando, c 
= cc = 2; 
d) O decremento logarítmico. 
Questão 9. Derive a equação de movimento e 
determine a frequência natural de vibração do 
sistema mostrado na figura abaixo. 
 
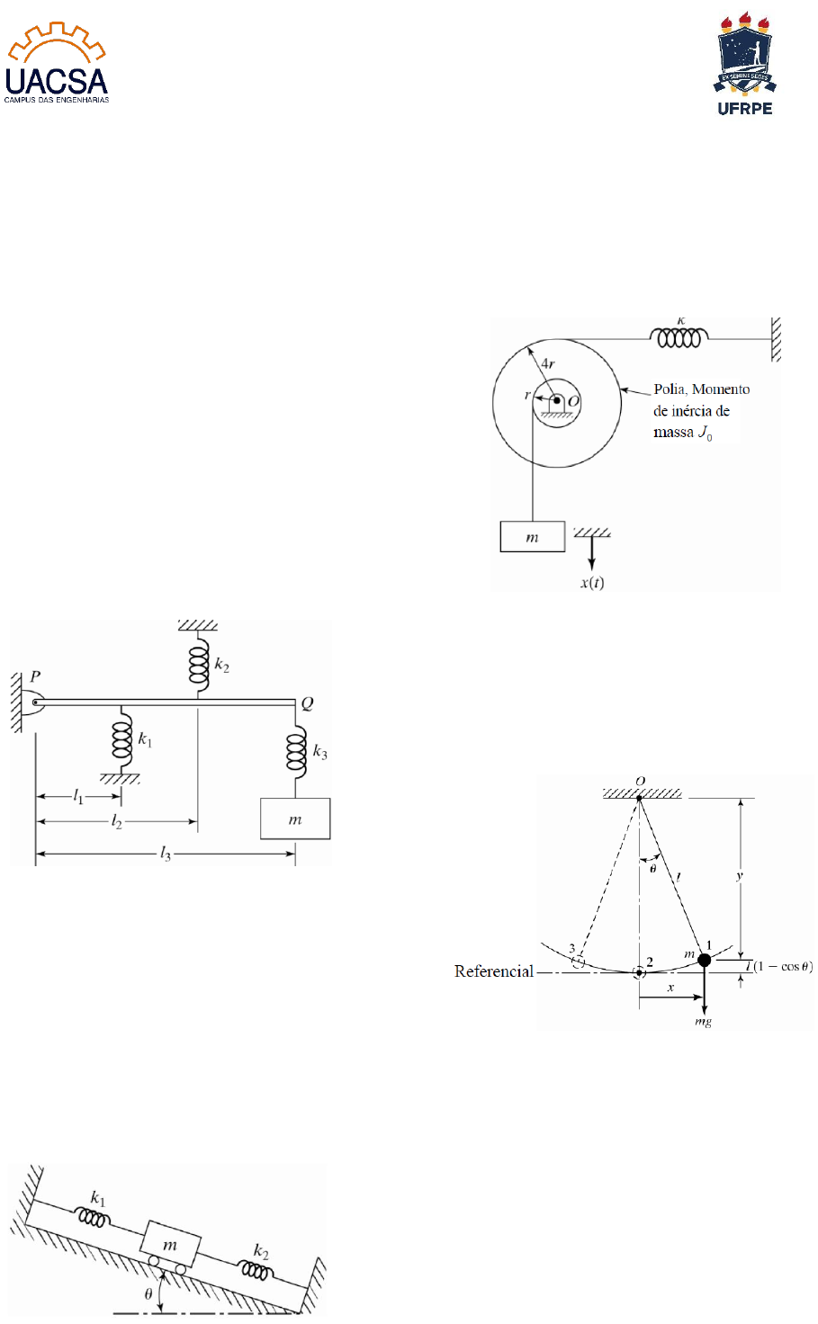
Questão 10. Derive a equação de movimento e 
determine a frequência natural de vibração do 
sistema mostrado na figura abaixo. 
 
Questão 11. O sistema mostrado na figura 
abaixo tem uma frequência natural de 5 Hz 
para os seguintes dados: m = 10 kg, Jo = 5 
kg/m², r1 = 10 cm, r2 = 25 cm. Quando o 
sistema é perturbado por ser-lhe dado um 
deslocamento inicial, a amplitude de vibração 
livre é reduzida de 80 por cento em 10 ciclos. 
Determine os valores de k e c. 
 
 
ATENÇÃO! TODOS OS PONTOS LISTADOS ABAIXO DEVEM SER SATISFEITOS PARA QUE 
A SUA ATIVIDADE SEJA CORRIGIDA. 
1) Fazer à mão e com letra legível. 
2) Assinar as folhas de resposta. 
3) Escanear a atividade ou digitalizar o documento com um app scanner. 
4) Anexar um único arquivo com as folhas de resposta da atividade, no formato PDF, no SIGAA. 
5) O documento deve estar com qualidade suficiente para ser corrigido. 
 
ATIVIDADES COM RESPOSTAS IDENTICAS (COPIADAS) SERÃO ANULADAS.

Mais conteúdos dessa disciplina