Logo Passei Direto
Buscar
Material
páginas com resultados encontrados.
páginas com resultados encontrados.
left-side-bubbles-backgroundright-side-bubbles-background

Crie sua conta grátis para liberar esse material. 🤩

Já tem uma conta?

Ao continuar, você aceita os Termos de Uso e Política de Privacidade

Prévia do material em texto

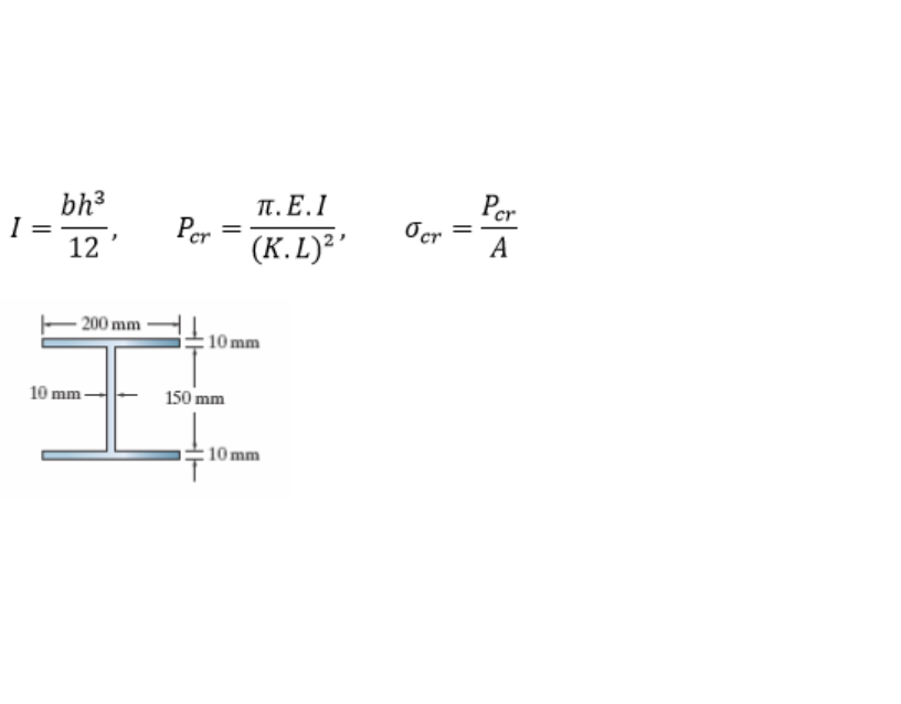
Uma coluna de aço tem comprimento de 9 m e está engastada em 
ambas as extremidades. Se a área da seção transversal tiver as 
dimensões mostradas na figura, determine a carga crítica. A fórmula 
de Euler é válida? Dados: Eaço = 200 GPa, tensão de escoamento = 
250 MPa e K=0,5. 
 
 
A - 750 kN, não 
B - 700 kN, sim 
C - 1200 kN, não 
D - 1301 kN, sim CORRETA

Mais conteúdos dessa disciplina