Logo Passei Direto
Buscar
Material
páginas com resultados encontrados.
páginas com resultados encontrados.

Prévia do material em texto

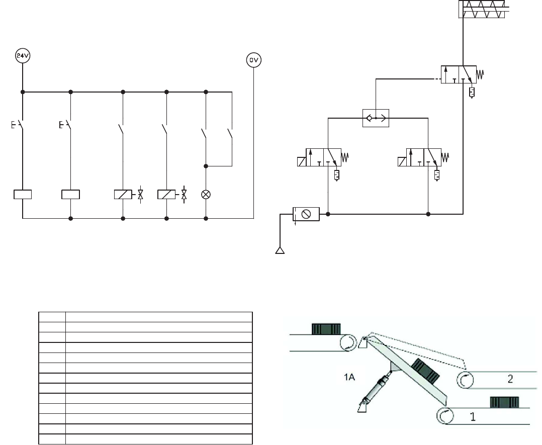
Exercício 33 - Controle de Qualidade Eletropneumático
A figura 01 representa um dispositivo de controle de qualidade visual.
Num processo de fabricação de peças, o controle de qualidade é realizado visualmente, por um operador.
As peças aprovadas são destinadas à esteira 1 e as peças reprovadas serão retrabalhadas e para isso 
serão destinadas à esteira 2. Há na máquina uma segunda botoeira para caso o operador seja destro. 
Ao detectar uma peça para retrabalho, o operador irá acionar um pedal para que o atuador de simples ação 
avance e desloque a peça à esteira 2.
O retorno do atuador ocorre automaticamente.
Exercício 33 - Controle de Qualidade Eletropneumático
Prof. Sinésio Gomes
09/03/2017
2
1 3
Y1
2
1 3
Y2
1 1
2
2
1 3
F=0 N
S1 S2
K1 K2
K1
Y1 Y2
K2
K2K1
Código Descrição do componente
 1 Alimentação de ar comprimido
 1 Cilindro de simples ação
 1 Conexão elétrica 0V (ladder)
 1 Conexão elétrica 24V (ladder)
 1 Lâmpada de indicação
 1 Unidade de conservação de ar, representação simplificada
 1 Válvula alternadora
 2 Botão de acionamento (NA)
 2 Relé
 2 Solenóide da válvula
 3 Válvula de 3/2 vias
 4 Contato NA

Mais conteúdos dessa disciplina