Logo Passei Direto
Buscar

Exercicio Resistencia de Materiais 146

User badge image
Gisella Lopes

em

Ferramentas de estudo

Questões resolvidas

Material
páginas com resultados encontrados.
páginas com resultados encontrados.
left-side-bubbles-backgroundright-side-bubbles-background

Crie sua conta grátis para liberar esse material. 🤩

Já tem uma conta?

Ao continuar, você aceita os Termos de Uso e Política de Privacidade

left-side-bubbles-backgroundright-side-bubbles-background

Crie sua conta grátis para liberar esse material. 🤩

Já tem uma conta?

Ao continuar, você aceita os Termos de Uso e Política de Privacidade

left-side-bubbles-backgroundright-side-bubbles-background

Crie sua conta grátis para liberar esse material. 🤩

Já tem uma conta?

Ao continuar, você aceita os Termos de Uso e Política de Privacidade

left-side-bubbles-backgroundright-side-bubbles-background

Crie sua conta grátis para liberar esse material. 🤩

Já tem uma conta?

Ao continuar, você aceita os Termos de Uso e Política de Privacidade

Questões resolvidas

Prévia do material em texto

Transformação da Tensão 
582 
Resolução: Steven Róger Duarte 
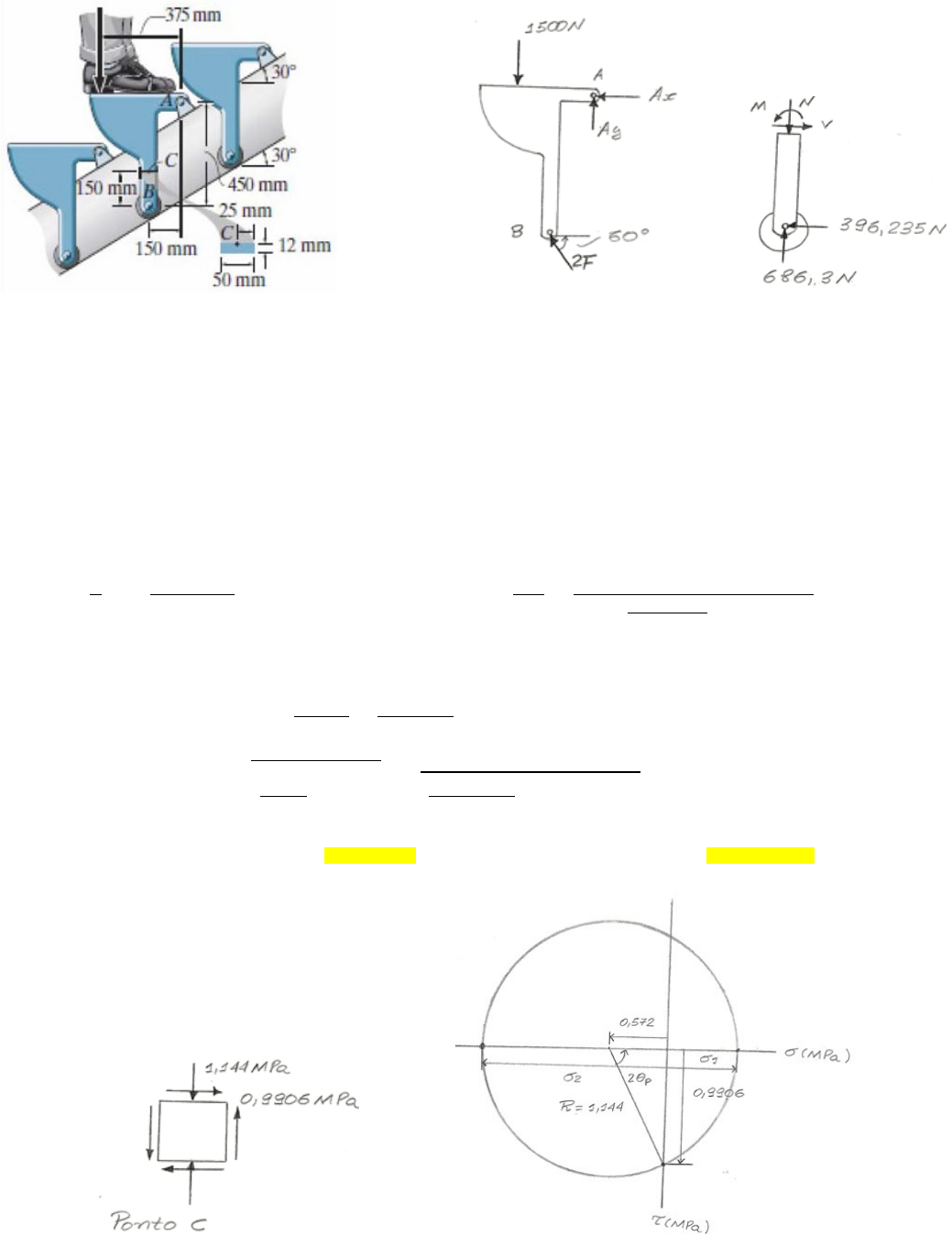
9.83. Os degraus da escada rolante estão apoiados nos dois lados pelo pino móvel em A e pelo rolete em 
B. Se um homem que pesa 1.500 N (~150 kg) estiver em pé no centro do degrau, determine as tensões 
principais desenvolvidas na seção transversal no ponto C. Os degraus movem-se à velocidade constante. 
 
 Figura 9.83 
 
 ∑ ; 1.500 x 0,375 – 2Fsen(60°) x 0,15 – 2Fcos(60°) x 0,45 = 0 F = 792,47 N 
 ∑ ; V – 396,235 = 0 V = 396,235 N 
 ∑ ; 686,3 – N = 0 N = 686,3 N 
 ∑ ; M – 396,235 x 0,15 = 0 M = 59,435 N.m 
 
 
 
 
 
 
 = - 1,1438 MPa (C) ; 
 
 
 
( )( )
(
 
 
*( )
 = 0,9906 MPa 
 
 
 
 
 
 
 
 = - 0,572 MPa (Centro do círculo) 
 √(
 – 
 
*
 
 √.
 , -
 
/
 
 ( ) = 1,1439 MPa 
 ; 
 
 Transformação da Tensão 
583 
Resolução: Steven Róger Duarte 
*9.84. A manivela do pedal de uma bicicleta tem a seção transversal mostrada na figura. Se ela estiver 
presa à engrenagem em B e não girar quando submetida a uma força de 400 N, determine as tensões 
principais no material na seção transversal no ponto C. 
 
Figura 9.84 
 
 ∑ ; V - 400 = 0 V = 400 N 
 ∑ ; M – 400 x 0,1 = 0 M = 40 N.m 
 
 
 
 
 
 
 
 = 40 MPa (T) ; 
 
 
 
( )( )
(
 
 
*( )
 = 3 MPa 
 
 
 
 
 
 
 
 = 20 MPa (Centro do círculo) 
 √(
 – 
 
*
 
 √.
 
 
/
 
 ( ) = 20,224 MPa 
 ; 
 
 Transformação da Tensão 
584 
Resolução: Steven Róger Duarte 
9.85. A estrutura suporta a carga distribuída de 200 N/m. Determine a tensão normal e a tensão de 
cisalhamento no ponto D que agem nos sentidos perpendiculares e paralelos às fibras, respectivamente. 
Nesse ponto, as fibras formam um ângulo de 30º com a horizontal, como mostra a figura. 
 
 Figura 9.85 
 ∑ ; - 500 x 1,25 + 2,5FC = 0 FC = 250 N 
 ∑ ; 250 – 200 x 1,5 + V = 0 V = 50 N 
 ∑ ; M – (200 x 1,5) x 0,75 – 250 x 1,5 = 0 M = 150 N.m 
 
 
 
 
 
 
 
 = 56,25 kPa (T) ; 
 
 
 
( )( )
(
 
 
*( )
 = 3,516 kPa 
 
 
 
 
 
 
 
 = 28,125 kPa (Centro do círculo) 
 √(
 – 
 
*
 
 √.
 
 
/
 
 ( ) = 28,344 kPa 
 .
 
 
/ ; 
 ( ) ; ( ) 
 
 Transformação da Tensão 
585 
Resolução: Steven Róger Duarte 
9.86. A estrutura suporta a carga distribuída de 200 N/m. Determine a tensão normal e a tensão de 
cisalhamento no ponto E que agem nos sentidos perpendicular e paralelo às fibras, respectivamente. 
Nesse ponto, as fibras formam um ângulo de 60º com a horizontal, como mostra a figura. 
 
 Figura 9.86 
 
 ∑ ; - 500 x 1,25 + 2,5FC = 0 FC = 250 N 
 ∑ ; FA + 250 – 500 = 0 FA = 250 N 
 ∑ ; 250 – N = 0 N = 250 N 
 
 
 
 
 
 
 = - 50 kPa (C) ; 
 
 
 = 0 kPa 
 
 
 
 
 
 
 
 = - 25 kPa (Centro do círculo) 
 √(
 – 
 
*
 
 √.
 , -
 
/
 
 ( ) = 25 kPa 
 ( ) ; ( )

Mais conteúdos dessa disciplina