Logo Passei Direto
Buscar

Ferramentas de estudo

Questões resolvidas

Dadas duas figuras, referentes a seções transversais de vigas feitas de um mesmo material, e uma tabela com suas características geométricas principais (área, posição do baricentro e momento de inércia em relação ao eixo paralelo ao eixo cartesiano x, que passa pelo baricentro da seção).
A partir desses dados, aponte a afirmação correta:
A) Como a seção 1 tem área maior que a seção 2, sua rigidez à flexão é maior.
B) Se forem executadas as duas vigas de mesmo comprimento, o peso da viga 1 seria maior que o da viga 2.
C) Como o momento de inércia à flexão da seção 1 é menor que da seção 2, a viga 1 se deforma menos que a viga 2 quando submetida a esforços de flexão.
D) A posição do centro de gravidade das duas seções pode variar se alterarmos o material das vigas.
E) Duas vigas de mesmo material sempre possuem o mesmo peso.

Material
páginas com resultados encontrados.
páginas com resultados encontrados.
left-side-bubbles-backgroundright-side-bubbles-background

Crie sua conta grátis para liberar esse material. 🤩

Já tem uma conta?

Ao continuar, você aceita os Termos de Uso e Política de Privacidade

Questões resolvidas

Dadas duas figuras, referentes a seções transversais de vigas feitas de um mesmo material, e uma tabela com suas características geométricas principais (área, posição do baricentro e momento de inércia em relação ao eixo paralelo ao eixo cartesiano x, que passa pelo baricentro da seção).
A partir desses dados, aponte a afirmação correta:
A) Como a seção 1 tem área maior que a seção 2, sua rigidez à flexão é maior.
B) Se forem executadas as duas vigas de mesmo comprimento, o peso da viga 1 seria maior que o da viga 2.
C) Como o momento de inércia à flexão da seção 1 é menor que da seção 2, a viga 1 se deforma menos que a viga 2 quando submetida a esforços de flexão.
D) A posição do centro de gravidade das duas seções pode variar se alterarmos o material das vigas.
E) Duas vigas de mesmo material sempre possuem o mesmo peso.

Prévia do material em texto

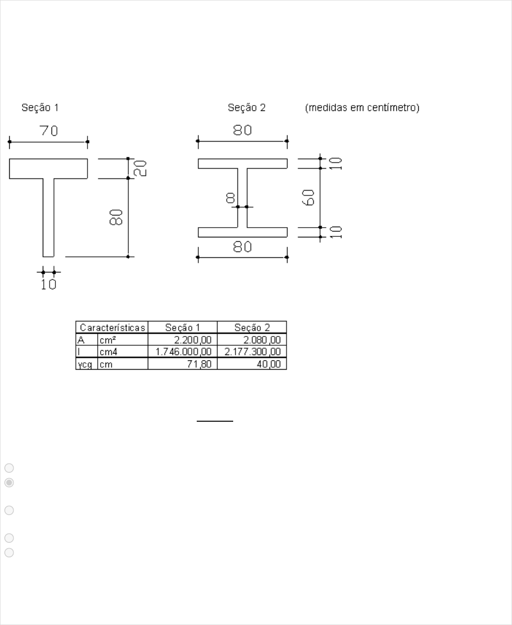
Dadas duas figuras, referentes a seções transversais de vigas feitas de um mesmo material, e uma
tabela com suas características geométricas principais (área, posição do baricentro e momento de
inércia em relação ao eixo paralelo ao eixo cartesiano x, que passa pelo baricentro da seção).
 
 
A partir desses dados, aponte a afirmação correta:
Alternativas:
A: Como a seção 1 tem área maior que a seção 2, sua rigidez à flexão é maior.
B: Se forem executadas as duas vigas de mesmo comprimento, o peso da viga 1 seria maior que o da viga
2.
C: Como o momento de inércia à flexão da seção 1 é menor que da seção 2, a viga 1 se deforma menos
que a viga 2 quando submetida a esforços de flexão.
D: A posição do centro de gravidade das duas seções pode variar se alterarmos o material das vigas.
E: Duas vigas de mesmo material sempre possuem o mesmo peso.
Resposta do aluno: B
Justificativa(s) do aluno:
17/11/2024, 13:57 UNIP - Universidade Paulista : DisciplinaOnline - Sistemas de conteúdo online para Alunos.
https://online.unip.br/Imprimir/ImprimirExercicio 1/1

Mais conteúdos dessa disciplina