Logo Passei Direto
Buscar
Material
páginas com resultados encontrados.
páginas com resultados encontrados.
left-side-bubbles-backgroundright-side-bubbles-background

Experimente o Premium!star struck emoji

Acesse conteúdos dessa e de diversas outras disciplinas.

Libere conteúdos
sem pagar

Ajude estudantes e ganhe conteúdos liberados!

Prévia do material em texto

SENAI/SC 
Resistência dos Materiais 
20
33..33..11 EExxeerrccíícciiooss RReessoollvviiddooss 
 
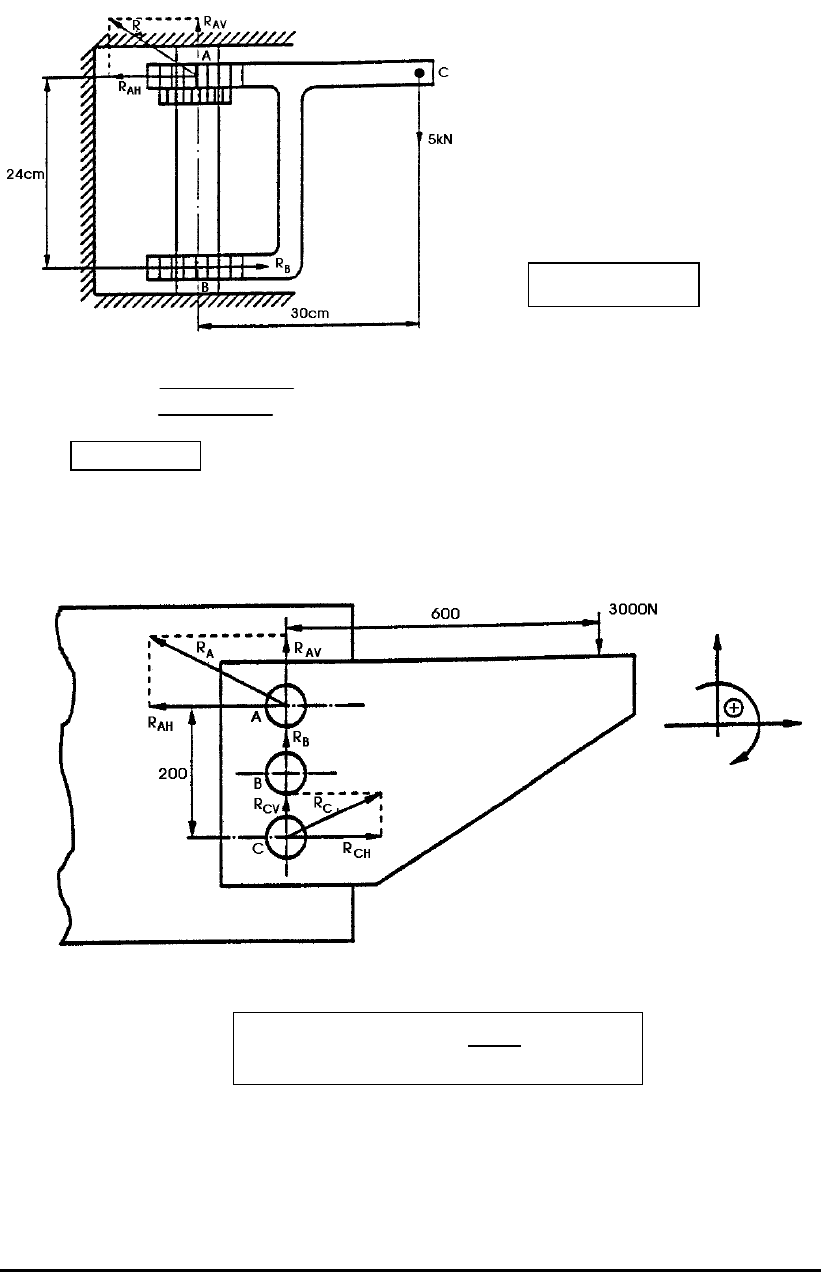
Ex. 1 O suporte vertical ABC desliza livremente sobre o eixo AB, porém é mantido na 
posição da figura através de um colar preso no eixo. Desprezando o atrito, determinar 
as reações em A e B, quando estiver sendo aplicada no ponto C do suporte, uma 
carga de 5kN. 
 
 
 ∑ MA = 0 
 
 24 RB = 5 x 30 
 RB = 6,25 kN 
 ∑ FH = 0 
 
 RAH - RB = 6,25 kN 
 ∑ FV = 0 
 
 
 
 
Reação em A: 
 
RA = √ R2 
AV + R2 
AH. 
RA = √ 52 + 6,252 
RA = 8 kN 
 
 
Ex. 2 A figura a seguir, representa uma junta rebitada, composta por rebites de 
diâmetros iguais. Determinar as forças atuantes nos rebites. 
 
 
 
 
 
 
 
 
 
 
 
 
 
 
 
 
Como os diâmetros dos rebites são iguais, na vertical as cargas serão iguais: 
 
 
 
 
O rebite B, por estar na posição intermediária, não possui reação na horizontal. 
O rebite A está sendo "puxado" para a direta, portanto possuirá uma reação horizontal 
para a esquerda. 
O rebite C, ao contrário de A, esta sendo "empurrado" para a esquerda, portanto 
possuirá reação horizontal para a direita. 
RAV = 5 kN 
RAV = RB = RCV = 3000 = 1000N 
 3

Mais conteúdos dessa disciplina