Logo Passei Direto
Buscar
Material
páginas com resultados encontrados.
páginas com resultados encontrados.
left-side-bubbles-backgroundright-side-bubbles-background

Crie sua conta grátis para liberar esse material. 🤩

Já tem uma conta?

Ao continuar, você aceita os Termos de Uso e Política de Privacidade

left-side-bubbles-backgroundright-side-bubbles-background

Crie sua conta grátis para liberar esse material. 🤩

Já tem uma conta?

Ao continuar, você aceita os Termos de Uso e Política de Privacidade

left-side-bubbles-backgroundright-side-bubbles-background

Crie sua conta grátis para liberar esse material. 🤩

Já tem uma conta?

Ao continuar, você aceita os Termos de Uso e Política de Privacidade

Prévia do material em texto

56 Fundamentos de Máquinas Elétricas
 1.4 Um motor fornece 50 N • m de conjugado para sua carga. Se o eixo do motor estiver gi-
rando a 1500 rpm, qual será a potência mecânica fornecida à carga em watts? E em HP?
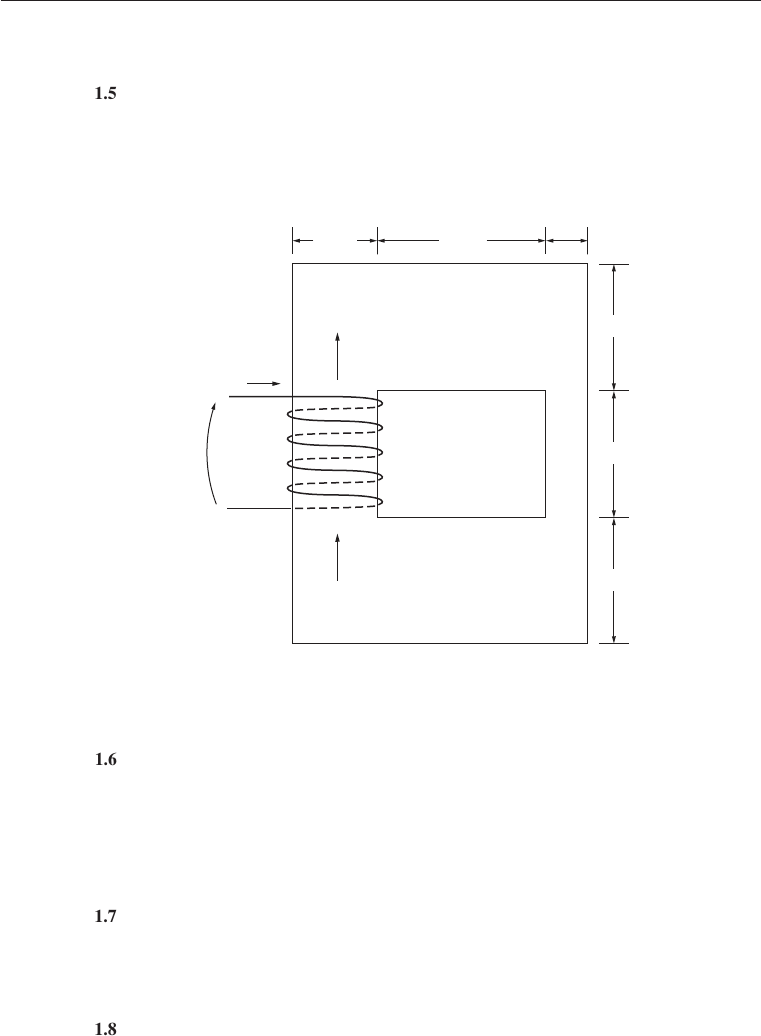
 1.5 A Figura P1-2 mostra um núcleo ferromagnético. A profundidade (para dentro da página) 
do núcleo é 5 cm. As demais dimensões do núcleo estão mostradas na figura. Encontre o 
valor da corrente que produzirá um fluxo de 0,005 Wb. Com essa corrente, qual é a den-
sidade do fluxo no lado superior do núcleo? Qual é a densidade do fluxo no lado direito 
do núcleo? Assuma que a permeabilidade relativa do núcleo é 800.
15 cm
5 cm
20 cm10 cm
i
500 espiras
f
Profundidade do núcleo 5 5 cm
φ
15 cm
15 cm
1
2
FIGURA P1-2
Núcleo dos Problemas 1-5 e 1-16.
 1.6 Um núcleo ferromagnético com uma permeabilidade relativa de 1500 está mostrado na Fi-
gura P1-3. As dimensões são as mostradas no diagrama e a profundidade do núcleo é 5 cm. 
Os entreferros nos lados esquerdo e direito do núcleo são 0,050 cm e 0,070 cm, respectiva-
mente. Devido ao efeito de espraiamento, a área efetiva dos entreferros é 5% maior do que 
o seu tamanho físico. Se na bobina houver 300 espiras enroladas em torno da perna central 
do núcleo e se a corrente na bobina for 1,0 A, quais serão os valores de fluxo para as pernas 
esquerda, central e direita do núcleo? Qual é a densidade de fluxo em cada entreferro?
 1.7 Um núcleo de duas pernas está mostrado na Figura P1-4. O enrolamento da perna esquer-
da do núcleo (N1) tem 600 espiras e o enrolamento da perna direita do núcleo (N2) tem 
200 espiras. As bobinas são enroladas nos sentidos mostrados na figura. Se as dimensões 
forem as mostradas, quais serão os fluxos produzidos pelas correntes i1 5 0,5 A e i2 5 
1,00 A? Assuma que mr 5 1200 é constante.
 1.8 Um núcleo com três pernas está mostrado na Figura P1-5. Sua profundidade é 5 cm e há 
100 espiras na perna esquerda. Pode-se assumir que a permeabilidade relativa do núcleo 
é 2000 e constante. Que fluxo existe em cada uma das três pernas do núcleo? Qual é a 
densidade de fluxo em cada uma das pernas? Assuma um aumento de 5% na área efetiva 
do entreferro devido aos efeitos de espraiamento.
Jose
Realce
Jose
Realce
Jose
Realce
Jose
Realce
Jose
Realce
Capítulo 1 ♦ Introdução aos princípios de máquinas 57
30 cm 0,07 cm 300 espiras
Profundidade do núcleo 5 5 cm
7 cm
i
30 cm 30 cm
7 cm
7 cm 7 cm 7 cm
0,05 cm
FIGURA P1-3
O núcleo do Problema 1-6.
i2i1
N1 N2
200 espiras600 espiras
Profundidade do núcleo 5 15 cm
50 cm15 cm
15 cm
15 cm
15 cm
50 cm
FIGURA P1-4
O núcleo dos Problemas 1-7 e 1-12.
58 Fundamentos de Máquinas Elétricas
i
2 A
100 espiras 0,05 cm
Profundidade do núcleo 5 5 cm
25 cm
9 cm 9 cm
9 cm
9 cm
25 cm
25 cm
15 cm
FIGURA P1-5
O núcleo do Problema 1-8.
 1.9 A Figura P1-6 mostra um fio que conduz 2,0 A na presença de um campo magnético. 
Calcule o valor e o sentido da força induzida no fio.
i 5 2,0 A
l 5 1 m
B 5 0,5 T,
 para a direita
 
FIGURA P1-6
Um fio conduzindo uma corrente em 
um campo magnético (Problema 1-9).
 1.10 A Figura P1-7 mostra um fio que se move na presença de um campo magnético. Com a 
informação dada na figura, determine o valor e o sentido da tensão induzida no fio.
 1.11 Repita o Problema 1-10 para o condutor da Figura P1-8.
 1.12 O núcleo mostrado na Figura P1-4 é feito de um aço cuja curva de magnetização está 
mostrada na Figura P1-9. Repita o Problema 1-7, mas desta vez não assuma que mr tem 
um valor constante. Quanto fluxo é produzido no núcleo pelas correntes especificadas? 
Qual é a permeabilidade relativa do núcleo nessas condições? Foi boa a suposição do 
Problema 1-7 de que a permeabilidade relativa era igual a 1200 para essas condições? 
Em termos gerais, ela é uma boa suposição?