Logo Passei Direto
Buscar
Material
left-side-bubbles-backgroundright-side-bubbles-background

Crie sua conta grátis para liberar esse material. 🤩

Já tem uma conta?

Ao continuar, você aceita os Termos de Uso e Política de Privacidade

left-side-bubbles-backgroundright-side-bubbles-background

Crie sua conta grátis para liberar esse material. 🤩

Já tem uma conta?

Ao continuar, você aceita os Termos de Uso e Política de Privacidade

Prévia do material em texto

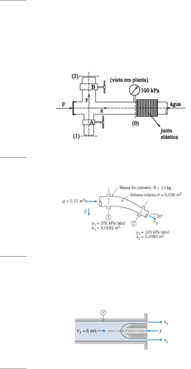
Questão 1
No esquema que se segue, podem ocorrer duas situações:
O registro (B) fechado e o registro (A) aberto, a água é despejada por (1);
O registro (A) fechado e o registro (B) aberto, a água é despejada por (2).
Em ambos os casos, a pressão indicada na figura é a mesma, bem como se tem a mesma força F = 1090 N, necessário para o equilíbrio segundo a direção x. Determinar, para cada uma das situações citadas, qual deve ser a força para o equilíbrio, segundo a direção y.
Dados: γágua = 10000 N/m³; A0 = 100 cm²; A1 = 50 cm²; A2 = 75 cm²; g = 10 m/s².
Questão 2
Um cotovelo redutor de 30º é mostrado. O fluido é a água. Avalie as componentes da força que devem ser aplicadas pelos tubos adjacentes para manter o cotovelo estático.
Questão 3
Água escoa, com baixa velocidade, através de um tubo circular com diâmetro interno de 50 mm. Um tampão arredondado e liso, de 38 mm de diâmetro, é mantido na extremidade do tubo onde a água é descarregada para a atmosfera. Ignore os efeitos do atrito e considere perfis uniformes de velocidade em cada seção. Determine a pressão medida pelo manômetro e a força requerida para manter o tampão no lugar.
Questão 4
Dado o dispositivo da figura, calcular a vazão do escoamento da água no conduto.
Dados: γágua = 10000 N/m³; γm = 6000; p2 = 20 kPa; A = 10-2 m²; g = 10 m/s². Desprezar perdas e considerar o perfil de velocidade uniforme.
Questão 5
Dois tubos de ferro galvanizado de diâmetro D estão conectados a um grande reservatório de água conforme mostrado. O tubo A tem comprimento L e o tubo B tem comprimento 2L. Ambos os tubos descarregam para a atmosfera. Por qual tubo passará a maior vazão? Justifique (sem calcular a vazão em cada tubo). Calcule as vazões se H = 10 m, D = 50 mm e L = 10 m.
Questão 6
Dois reservatórios são conectados por meio de três tubos limpos de ferro fundido em série,
 L1 = 600 m, D1 = 0,3 m, L2 = 900 m, D2 = 0,4 m, L3 = 1500 m, D3 = 0,45 m. Para uma vazão de 0,11 m³/s de água a 15 ºC, determine a diferença de elevação entre os reservatórios.
Questão 7
Na instalação da figura, determinar a potência da bomba necessária para produzir uma vazão de 10 L/s, supondo seu rendimento de 70 %. 
Dados: D4 = 2,5”; D3 = 4”; aço; ν = 10-6 m²/s; γ = 10000 N/m³; Leq1 = 20 m; Leq2 = 2 m; Leq6 = Leq7 = 1 m; Ks5 = 10; Ks8 = 1

Mais conteúdos dessa disciplina