Logo Passei Direto
Buscar
Material
páginas com resultados encontrados.
páginas com resultados encontrados.

Prévia do material em texto

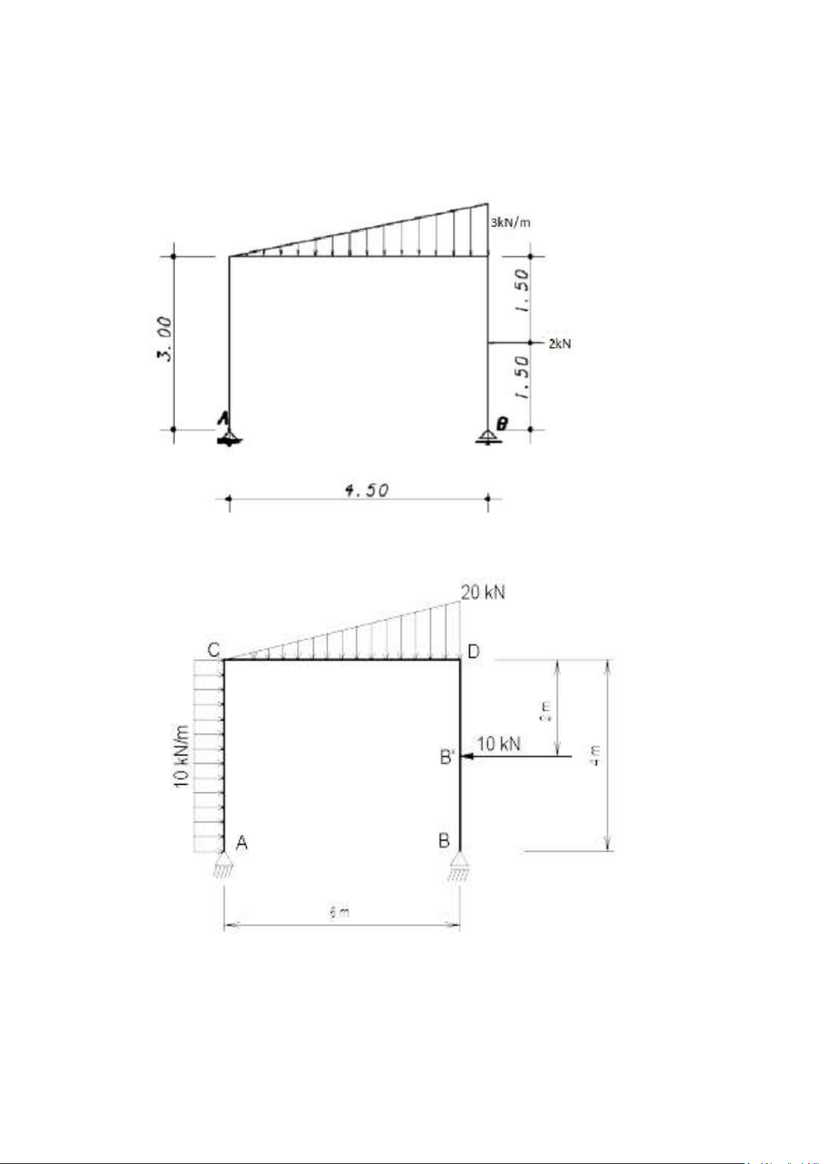
LISTA DE EXERCÍCIOS PARA 
PÓRTICOS 
CALCULE AS REAÇÕES DE APOIO NOS PÓRTICOS 
1 
 
 
 
 
 
 
 
 
 
 
 
2.

Mais conteúdos dessa disciplina