Logo Passei Direto
Buscar
Material
páginas com resultados encontrados.
páginas com resultados encontrados.
left-side-bubbles-backgroundright-side-bubbles-background

Crie sua conta grátis para liberar esse material. 🤩

Já tem uma conta?

Ao continuar, você aceita os Termos de Uso e Política de Privacidade

left-side-bubbles-backgroundright-side-bubbles-background

Crie sua conta grátis para liberar esse material. 🤩

Já tem uma conta?

Ao continuar, você aceita os Termos de Uso e Política de Privacidade

left-side-bubbles-backgroundright-side-bubbles-background

Crie sua conta grátis para liberar esse material. 🤩

Já tem uma conta?

Ao continuar, você aceita os Termos de Uso e Política de Privacidade

Prévia do material em texto

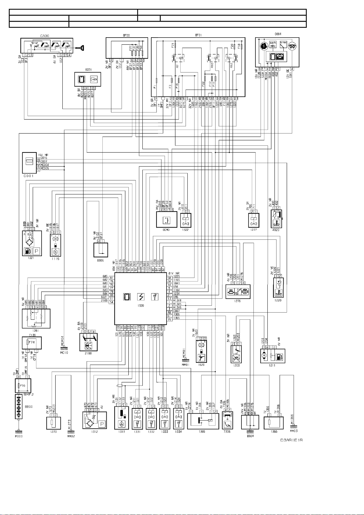
veículo : BOXER (U5) número de VIN : 936ZCPMNC62002710 / OPR : 62002710 
domínio 10 grupo motoventilador função injecção / pré -aquecimento SOFIM 2800 HDI (127 ch) 
composto 
princípio 
cablagem 
page 1 sur 3imprimir
 
implantação 
page 2 sur 3imprimir
 
Automobiles Peugeot RC PARIS B 552 144 503Qualquer reprodução destas informações, ainda que parcial, é interdita sem a 
autorização prévia, por escrito, do Construtor
11/11/2009
page 3 sur 3imprimir

Mais conteúdos dessa disciplina