Logo Passei Direto
Buscar
Material
páginas com resultados encontrados.
páginas com resultados encontrados.

Prévia do material em texto

IFBA Eunápolis – Engenharia Civil 
Fenômenos de Transporte 2024/2 – Lista de exercícios 06: equação de energia em escoamentos 
 
Prof. Davi Santiago Aquino 1 
1) [Petrobras] A equação de Bernoulli é muito importante na mecânica dos fluidos, pois relaciona as 
variações de pressão com aquelas de velocidade e de elevação ao longo de uma linha de corrente. 
Essa equação, no entanto, deve ser aplicada apenas em situações que obedeçam a certas restrições, 
como, por exemplo, escoamento ao longo de uma linha de corrente. Além disso, o escoamento deve 
ser 
 a) transiente, compressível e sem atrito. 
 b) transiente, incompressível e sem atrito. 
 c) permanente, incompressível e com atrito. 
 d) permanente, incompressível e sem atrito. 
 e) permanente, compressível e sem atrito. 
 
2) [Petrobras] Um fluido ideal, ρ = 1,0 × 10³ kg/m³, sem viscosidade e incompressível, escoa por um 
tubo horizontal de seção quadrada de lado L1 = 2,0 cm. Esse tubo, a partir de certo ponto, se 
expande de modo a ter, a partir desse ponto, o lado L2 = 6,0 cm. Sabendo que a vazão do tubo é de 
3,6 litros/s, a variação da pressão ΔP = P2 - P1, em kPa, é de 
a) 400 d) 0,40 
b) 40 e) 0,040 
c) 4,0 
 
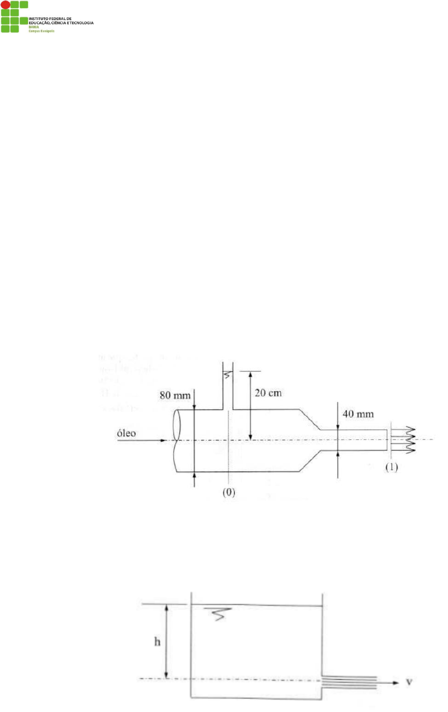
3) No tubo convergente da figura, óleo (ρ = 800 kg/m³) é liberado livremente para a atmosfera em (1). 
Calcule as vazões em massa e em peso do escoamento. 
 
 
4) No reservatório da figura, quando a altura de água em relação ao centro da tubulação de saída é h, 
sob a ação da gravidade g⃗ , o fluido incompressível sai livremente para a atmosfera com velocidade 
v, independentemente da seção transversal do tubo, caso seja considerado escoamento ideal. Assim, 
determine a velocidade em função das grandezas conhecidas. 
 
 IFBA Eunápolis – Engenharia Civil 
Fenômenos de Transporte 2024/2 – Lista de exercícios 06: equação de energia em escoamentos 
 
Prof. Davi Santiago Aquino 2 
5) Determine a altura H da coluna de água no reservatório necessária para que a velocidade de saída 
do jato seja de 8 m/s, supondo escoamento ideal. 
 
 
6) O tanque da figura tem grandes dimensões e descarrega água pelo tubo indicado, cujo diâmetro é 
10 cm. Considerando a água como um fluido ideal, determinar a vazão descarregada. 
 
 
7) [IFAL] No reservatório de grandes dimensões da figura, a água é escoada através de uma 
tubulação circular de 600 mm de diâmetro e 120m de comprimento. Calcule a vazão no tubo, 
desprezando as perdas por atrito. 
 
 
8) [INSS] O tanque A da figura descarrega água pelo tubo B. Considerando que a área da seção 
transversal do tubo B é 5 cm2 e que seu centro possui altura de 1 m, determine a vazão em volume 
de água descarregada pelo tubo B quando a coluna d´água do tanque A possui uma altura de 6 m. 
Desprezar a velocidade de deslocamento da água do tanque e considerar a aceleração da gravidade 
igual a 10 m/s². 
 IFBA Eunápolis – Engenharia Civil 
Fenômenos de Transporte 2024/2 – Lista de exercícios 06: equação de energia em escoamentos 
 
Prof. Davi Santiago Aquino 3 
 
a) 50 litros/s. 
b) 5 litros/s. 
c) 10 litros/s. 
d) 2,5 litros/s. 
e) 15 litros/s. 
 
9) Uma caixa d’água de 1 m de altura está apoiada numa laje de 4 m de altura e alimenta a tubulação 
de um chuveiro, conforme se apresenta na figura. O diâmetro da tubulação da seção 2 é de ½ 
polegada, estando esta seção a 2 m do solo. Desprezando as perdas de carga e a variação do nível 
da caixa d’água, calcule quantos litros de água passarão pela seção 2 caso a válvula do chuveiro 
fique completamente aberta por 10 minutos. Dado: 1 pol = 2,54 cm. 
 
 
 
10) [Petrobras] A figura representa um sistema de escoamento, onde água é o fluido que escoa na 
vazão de 180 m³/h. 
Considere: 
• velocidade linear na tubulação horizontal: 5 m/s 
• velocidade linear na tubulação vertical: 25 m/s 
• perda de carga entre os pontos 1 e 2: desprezível 
• aceleração da gravidade: 10 m/s² 
• pressão absoluta no ponto 1: 800 kPa 
 
Qual a pressão no ponto 2? 
 a) 160 kPa 
 b) 460 kPa 
 c) 540 kPa 
 d) 1060 kPa 
 e) 1140 kPa 
 
 
 
 IFBA Eunápolis – Engenharia Civil 
Fenômenos de Transporte 2024/2 – Lista de exercícios 06: equação de energia em escoamentos 
 
Prof. Davi Santiago Aquino 4 
11) [Petrobras] Um fluido incompressível, com peso específico 9.000 N/³, escoa em uma tubulação de 
diâmetro uniforme desde a cota Z1 = -5 m até a Z2 = 10 m, onde a pressão é atmosférica. Se a perda 
de carga associada ao escoamento é de 3 m de coluna do referido fluido, a pressão manométrica na 
tubulação na cota Z1 é: 
a) 1,16 x 104 N/m2 
b) 1,80 x 104 N/m2 
c) 7,20 x 104 N/m2 
d) 1,08 x 105 N/m2 
e) 1,62 x 105 N/m2 
 
12) [Transpetro] Um líquido incompressível escoa em regime permanente ao longo do tubo, na direção 
de 1 para 2, como ilustrado na figura. Se o diâmetro do tubo é constante ao longo do seu 
comprimento, qual é o valor, em metros, da perda de carga em 5 m de comprimento do tubo? 
a) 0,2 
b) 0,3 
c) 0,5 
d) 0,8 
e) 1,0 
 
 
 
 
13) Na figura seguinte, um fluido escoa nos tanques e tubulações mostrados. No início do processo hA e 
hB valem, respectivamente, 3,2 m e 0,2 m. Determinar qual deve ser a razão entre os diâmetros A e 
B de cada tubulação de saída para que os níveis dos tanques permaneçam sem alteração. Para esta 
mesma situação, determine a velocidade em cada tubulação de saída dos tanques. 
 
 
14) [IFMT] A tubulação esquematizada na figura abaixo possui uma vazão de água de 12 L/s em 
escoamento ideal. Dados aceleração da gravidade: g = 10 m/s² e áreas das seções transversais: A1 = 
0,006 m² e A2 = 0,003 m², qual é a diferença de pressão entre os dois manômetros 1 e 2? 
 
 IFBA Eunápolis – Engenharia Civil 
Fenômenos de Transporte 2024/2 – Lista de exercícios 06: equação de energia em escoamentos 
 
Prof. Davi Santiago Aquino 5 
 
 
15) [IFRS] Água (ρ=1000 kg/m³) escoa por um bocal convergente horizontal, onde há uma diminuição 
de Δp = 4 x 103 Pa entre a pressão de entrada e de saída. Determine a velocidade de saída da água 
do bocal se o diâmetro de entrada é de D = 1x10-2m e a vazão da água é de Q = 2,5 π x 10-5 m3/s. 
Considere escoamento sem atrito e g = 10 m/s². 
a) V = 1 m/s. 
b) V = - 1 m/s. 
c) V = - 3 m/s. 
d) V = 3 m/s. 
e) V = 10 m/s. 
 
16) [Petrobras] O tubo de Venturi é constituído de um tubo 
a) colocado com sua abertura na direção das trajetórias das partículas do fluido, tubo que é 
dobrado posteriormente em ângulo reto, no qual é adaptado um piezômetro. 
b) colocado com sua abertura na direção contrária à direção das trajetórias das partículas do fluido, 
tubo que é dobrado posteriormente em ângulo reto, no qual é adaptado um piezômetro. 
c) convergente e não divergente, no qual se adapta um piezômetro. 
d) divergente e não convergente, no qual se adapta um piezômetro. 
e) convergente/divergente, com a presença de uma garganta. 
 
17) [Petrobras] A identificação do instrumento abaixo é: 
 
 
 
a) 14.000 Pascal 
b) 6.800 Pascal 
c) 12.000 Pascal 
d) 1.600 Pascal 
 
a) tubo de Venturi 
b) tubo de Pitot 
c) disco de nutação 
d) medidor de Coriolis 
e) placa de orifício 
 
 IFBA Eunápolis – Engenharia Civil 
Fenômenos de Transporte 2024/2 – Lista de exercícios 06: equação de energia em escoamentos 
 
Prof. Davi Santiago Aquino 6 
18) [Petrobras] A Figura abaixo mostra um tubo Venturi, pelo qual um gás é bombeado, e onde há 
cinco pontos de tomada de pressão, P1, P2, P3, P4 e P5. 
 
A seta indica o sentido do escoamento. A unidade de vazão do gás no Sistema Internacional e os 
pontos usados para uma correta medição da vazão do mesmo são, respectivamente, 
 
a) m³/h e P1 e P2 
b) m³/h e P1 e P3 
c) m³/h e P1 e P5 
d) m³/s e P1 e P3 
e) m³/s e P1 e P5 
 
19) Um dos métodos para se produzir vácuo numa câmara é descarregar água por um tubo convergente-
divergente, como é mostrado na figura. Qual deve ser a vazão de água pelo convergente-divergentepara produzir uma depressão equivalente a 22 cm de mercúrio na câmara da figura? Dados: 
desprezar as perdas de carga no trecho; γágua = 103 kgf/m³; γHg = 1,36 x 104 kgf/m³; D1 = 72 mm; D2 
= 36 mm. 
 
 
20) Qual deverá ser a vazão de água que flui na tubulação mostrada na figura para que haja na câmara 
um vácuo de 50 cm de Hg? γHg = 13.600 kgf/m³. Suponha escoamento ideal. 
 
 IFBA Eunápolis – Engenharia Civil 
Fenômenos de Transporte 2024/2 – Lista de exercícios 06: equação de energia em escoamentos 
 
Prof. Davi Santiago Aquino 7 
21) No tubo Venturi da figura, a tubulação possui área A1 = 24 cm² e a garganta tem metade da área 
transversal. Por este tubo escoam 10,8 L/s de querosene (dr = 0,85) em escoamento ideal. 
Determine o desnível h de mercúrio (13.600 kgf/m³) no manômetro diferencial. 
 
 
22) No Venturi mostrado, a coluna de mercúrio (13.600 kgf/m³) se eleva 20 cm em relação ao plano 
BC. Sabendo que o diâmetro da seção divergente é de 10 cm, que A1 = 2,5 A2 e supondo 
escoamento ideal, determine a vazão de água no escoamento. 
 
 
 
23) Quando o vento sopra forte sobre um telhado, há o risco de a pressão se reduzir e o telhado ser 
arrancado pela força de pressão no interior da casa. Imagine que um vento com velocidade de 30 
m/s sopre sobre um telhado plano e quadrado de lado igual a 15 m. Calcule a força exercida, de 
dentro para fora, sobre o telhado. Dado: γar = 1,293 kgf/m³. 
 
24) Num local onde Patm = 100 kPa, deseja-se estabelecer um escoamento dum fluido com γ = 104 N/m³ 
pelo sifão da figura, de modo que a pressão absoluta no ponto S não seja inferior a 25 kPa. 
Desprezando as perdas de carga (escoamento ideal) determinar a velocidade do escoamento e a 
máxima altura do ponto S em relação ao nível d’água A. 
 IFBA Eunápolis – Engenharia Civil 
Fenômenos de Transporte 2024/2 – Lista de exercícios 06: equação de energia em escoamentos 
 
Prof. Davi Santiago Aquino 8 
 
 
25) Para o sifão da figura de 50 mm de diâmetro que retira óleo com densidade relativa de 0,82 do 
reservatório de grandes dimensões, a perda de carga entre os pontos 1 e 2 é de 1,50 m e do ponto 2 
ao 3 é de 2,40 m. Determine a vazão de óleo no sifão e a pressão em kPa no ponto 2. 
 
 
26) De acordo como ilustrado da figura, num carburador, a velocidade do ar na garganta do Venturi é 
de 120 m/s. O diâmetro da garganta é de 25mm. O tubo principal de admissão de gasolina tem 
1,15mm de diâmetro e o reservatório de gasolina pode ser considerado como aberto à atmosfera e 
com seu nível constante. Supondo ar como fluido ideal e incompressível e desprezando as perdas 
no tubo de gasolina, determinar a relação em massa gasolina/ar que será admitida no motor. Dados: 
ρgas = 720 kg/m³; ρar = 1,0 kg/m³; g = 10 m/s². [Olhar com carinho para esta questão] 
 
 IFBA Eunápolis – Engenharia Civil 
Fenômenos de Transporte 2024/2 – Lista de exercícios 06: equação de energia em escoamentos 
 
Prof. Davi Santiago Aquino 9 
 
 
27) [UEAP] A altura cinética de velocidade na equação de Bernoulli pode ser determinada 
experimentalmente por meio de um piezômetro e um 
a) barômetro. 
b) cromômetro. 
c) tubo Venturi. 
d) tubo de Pitot. 
 
28) [UFSM] Um funcionário de uma concessionária de saneamento precisa fazer medidas de vazão em 
vários pontos de um sistema de abastecimento de água de uma cidade. Como a empresa possui 
vários equipamentos de medida de diferencial de pressão, tubos de pitot, galgadores e acessórios 
para pitometria, a técnica utilizada para medição será a pitometria. Em campo, o funcionário, 
inexperiente, quebra o tip do último tubo de pitot não instalado em campo, com isso não poderá 
medir a vazão no ponto do trecho da rede selecionada. Assinale a alternativa que diz respeito à 
variável primária levantada pelo tubo de pitot: 
a) Vazão nominal 
b) Diâmetro interno 
c) Espessura do tubo 
d) Diferencial de pressão 
e) Diâmetro externo 
 
29) [Petrobras] Em Mecânica dos Fluidos, diversos instrumentos são utilizados para quantificar as 
propriedades físicas e outras grandezas características do escoamento de fluidos. Dentre esses 
instrumentos, o piezômetro, o Tubo de Pitot e o Tubo de Venturi se prestam, respectivamente, a 
medidas de 
a) densidade, pressão estática e velocidade média. 
b) densidade, pressão dinâmica e vazão. 
c) viscosidade, pressão dinâmica e velocidade média 
d) viscosidade, pressão total e velocidade média. 
e) pressão estática, pressão de estagnação e vazão. 
 
 
 
 IFBA Eunápolis – Engenharia Civil 
Fenômenos de Transporte 2024/2 – Lista de exercícios 06: equação de energia em escoamentos 
 
Prof. Davi Santiago Aquino 10 
30) Um tubo de Pitot é preso num barco que se desloca a 45 km/h, ficando o tubo próximo à superfície, 
conforme se apresenta na figura. Qual será a altura h alcançada pela água no ramo vertical. 
 
 
31) Água escoa pelo tubo convergente mostrado, dotado de um tubo de Pitot e de um manômetro 
diferencial que usa um fluido manométrico com γm = 6.000 kgf/m³. Sabendo que a área da seção é 
de A = 10-2 m², que a pressão em 2 é de p2 = 2.000 kgf/m² e considerando escoamento ideal com 
diagrama de velocidade uniforme, calcule a vazão que escoa pelo tubo. 
 
 
32) Em determinado escoamento de água (1.000 kgf/m³), uma bomba fornece 20 m de carga hidráulica. 
Sabendo que a vazão deste escoamento é de 12 L/s e que a bomba tem 75% de rendimento, 
determine sua potência. 
 
33) Uma empresa de energia utiliza um sistema de “armazenamento de energia”, ilustrado na figura, 
que consiste em à noite, quando sobra energia, é feito um bombeamento de água de um lago para 
um reservatório elevado 80m e durante o dia esta água é utilizada para gerar energia em uma 
turbina com os mesmos 80m de desnível. Considerando que a vazão em ambos os casos é de 500 
L/s e que ambas as máquinas possuem 70% de rendimento, determine as potências: 
a) Necessária ao funcionamento da bomba 
b) Recuperada pela turbina. 
 IFBA Eunápolis – Engenharia Civil 
Fenômenos de Transporte 2024/2 – Lista de exercícios 06: equação de energia em escoamentos 
 
Prof. Davi Santiago Aquino 11 
 
 
34) Em uma indústria de engarrafamento de água mineral, a água de um reservatório de grandes 
dimensões situado no piso inferior deve ser recalcada, conforme se apresenta na figura. Sabe-se que 
o diâmetro da tubulação de recalque é de 1,6 cm e que a altura manométrica da bomba (HB) é de 
13m. Considerando o escoamento como ideal (sem perdas de carga) e como desprezível o intervalo 
entre dois enchimentos consecutivos, calcule quantos garrafões de 20 L podem ser cheios em 1 hora 
de operação. 
 
 
35) Na mesma empresa da questão anterior, o engarrafamento de água com gás é feito por intermédio 
de um reservatório pressurizado, cuja pressão no topo é de 50 kPa, conforme a figura. Sabendo que 
a tubulação de descarga também tem 1,6 cm de diâmetro e considerando o escoamento como ideal 
(sem perdas de carga) e como desprezível o intervalo entre dois enchimentos consecutivos, calcule 
quantos garrafões de 20 L podem ser cheios em 1 hora de operação. 
 IFBA Eunápolis – Engenharia Civil 
Fenômenos de Transporte 2024/2 – Lista de exercícios 06: equação de energia em escoamentos 
 
Prof. Davi Santiago Aquino 12 
 
 
36) O reservatório mostrado na figura possui nível constante e fornece 15L/s de água para o tanque B, 
sem perdas de carga. Sabendo que o tubo tem 10 cm² de área, verificar se a máquina é uma bomba 
ou uma turbina e calcular sua potência, considerando que a máquina tem 75% de rendimento. 
 
 
37) A figura representa uma instalação onde há uma bomba, responsável por escoar água (γ = 104 
N/m³) de 1 a 2. A bomba tem potência de 5 kW e seu rendimento é de 80%. A descarga de água 
ocorre para a atmosfera em 2 a 5m/s pela tubulação de 10 cm² de área. Considerando g = 10 m/s², 
determine a perda de carga em 1 e 2 e a potência dissipada por esta perda.IFBA Eunápolis – Engenharia Civil 
Fenômenos de Transporte 2024/2 – Lista de exercícios 06: equação de energia em escoamentos 
 
Prof. Davi Santiago Aquino 13 
38) Na instalação da figura, não se sabe o sentido do escoamento da água (γ = 104 N/m³), mas se sabe 
que a perda de carga entre (1) e (4) é de 2 m, que a vazão é de 10 L/s, que a área da seção dos tubos 
é de 10 cm² e que há um manômetro metálico na seção (2). Sabendo que a máquina tem 75% de 
rendimento e adotando g = 10 m/s², determine: 
a) Se a máquina é uma bomba ou uma turbina; 
b) O sentido de escoamento; e 
c) A potência da máquina. 
 
 
39) Num pequeno edifício, uma bomba é utilizada para se recalcar água de um reservatório subterrâneo 
até a caixa d’água, conforme mostrado. O reservatório aberto que pode ser considerado de grandes 
dimensões. A tubulação de recalque tem ½ polegada de diâmetro e a vazão recalcada é de 3 L/s. 
Desconsiderando as perdas de carga e sabendo que a bomba tem 65% de rendimento, determine sua 
potência. 1 pol = 2,54 cm. 
 
 
 
 
 IFBA Eunápolis – Engenharia Civil 
Fenômenos de Transporte 2024/2 – Lista de exercícios 06: equação de energia em escoamentos 
 
Prof. Davi Santiago Aquino 14 
40) A bomba B da instalação da figura recalca 5 L/s água do reservatório A até o tanque B, que tem 
9m³de volume útil. O diâmetro de sucção em (2) é de 5 cm e o de recalque em (3) é de 10 cm. A 
perda de carga total de escoamento de 1 a 3 é de 7,45 m. A bomba tem 70% de rendimento e o 
tanque encontra-se inicialmente vazio. Considerando que 1 kWh custa R$ 0,64, calcule qual o valor 
(R$) que será gasto para encher o tanque. 
 
 
41) A figura abaixo representa a vista em planta de um túnel aerodinâmico que foi projetado para que 
na seção de exploração A a veia livre de seção quadrada de 0,2 de lado tenha 30 m/s de velocidade 
média. Sabe-se que as perdas de carga nos trechos A-0 e 1-A são de 100 m cada e que o ar (aqui, 
considerado incompressível) tem peso específico de 12,7 N/m³. Sabendo que o rendimento do 
ventilador é de 70%, calcule sua potência e as pressões nas seções 0 e 1. 
 
 
 
 
 
 
 
 IFBA Eunápolis – Engenharia Civil 
Fenômenos de Transporte 2024/2 – Lista de exercícios 06: equação de energia em escoamentos 
 
Prof. Davi Santiago Aquino 15 
42) A bomba B com 70% de rendimento é responsável por conduzir água do reservatório de grandes 
dimensões até a descarga para a atmosfera em (4). Sabe-se que as áreas transversais são A2 = 1 cm² 
e A3 = 20 cm² e que as perdas de carga entre 0 e 1 é de 0,8 m e entre 2 e 3 é de 2,0 m. Sabendo que 
não há perda de carga entre 1 e 2, determine: 
a) A vazão do escoamento em L/s; 
b) A área da seção 1 em cm²; e 
c) A potência necessária ao funcionamento da bomba. 
 
 
 
43) A figura presenta uma instalação na qual 16 L/s de água escoam pela máquina M, sendo as perdas 
de carga hf1-2 = hf3-4 = 1 m. O manômetro metálico da seção (2) indica 200 kPa e o da seção (3) 
indica 400 kPa. Determinar: 
a) O sentido do escoamento; 
b) A perda de carga entre 2 e 3; 
c) O tipo de máquina e a potência gerada ou consumida; e 
d) A pressão do ar em (4). 
 
 
 
 
 
 
 
 IFBA Eunápolis – Engenharia Civil 
Fenômenos de Transporte 2024/2 – Lista de exercícios 06: equação de energia em escoamentos 
 
Prof. Davi Santiago Aquino 16 
GABARITO 
 
1) D 
2) B 
3) Qm = 2,06 kg/s e Qp = 20,18 N/s 
4) v = √2gh (Teorema de Torricelli) 
5) H = 3,26m 
6) Q = 98,4L/s 
7) Q = 3,96 m³/s 
8) B 
9) Ɐ = 583 L 
10) B 
11) E 
12) E 
13) 
ΦA
ΦB
= 0,5; vA = 7,92 m/s; vB = 1,98 m/s 
14) A 
15) D 
16) E 
17) A 
18) D 
19) Q = 8,05 L/s 
20) Q = 5,843 x 10-4 m³/s = 0,58 L/s 
21) h = 20,64 cm. 
22) Q = 24,1 L/s 
23) 130,92 kN 
24) v = 4,85 m/s e hSA = 6,3 m 
25) Q = 9,12 L/s e P2 = -37 kPa 
26) 0,0568 
27) D 
28) D 
29) E 
30) h = 7,96 m 
31) Q = 39,62 L/s 
32) 3,14 kW 
33) a) 560,6 kW b) 274,7 kW 
34) 453,6 → 453 garrafões 
35) 622,8 → 622 garrafões 
36) Bomba. NB = 288,4 W 
37) hf1-2 = 83,75m e Ndiss = 4,19 kW. 
38) a) bomba; b) de 4 para 1; c) 3,47 kW 
39) NB = 2,1 kW 
40) R$ 0,66 
41) P0 = -723,8 Pa; P1 = 1.816,2 Pa; NV = 4,35 
kW. 
42) a) 0,7 L/s b) A1 = 1,44 cm² c) 
NB = 13,1 W 
43) a) de 4 para 1 b) hf2-3 = 16,94 m c) 
Turbina, NT = 1,57 kW d) P4 = 362 kPa

Mais conteúdos dessa disciplina