Prévia do material em texto
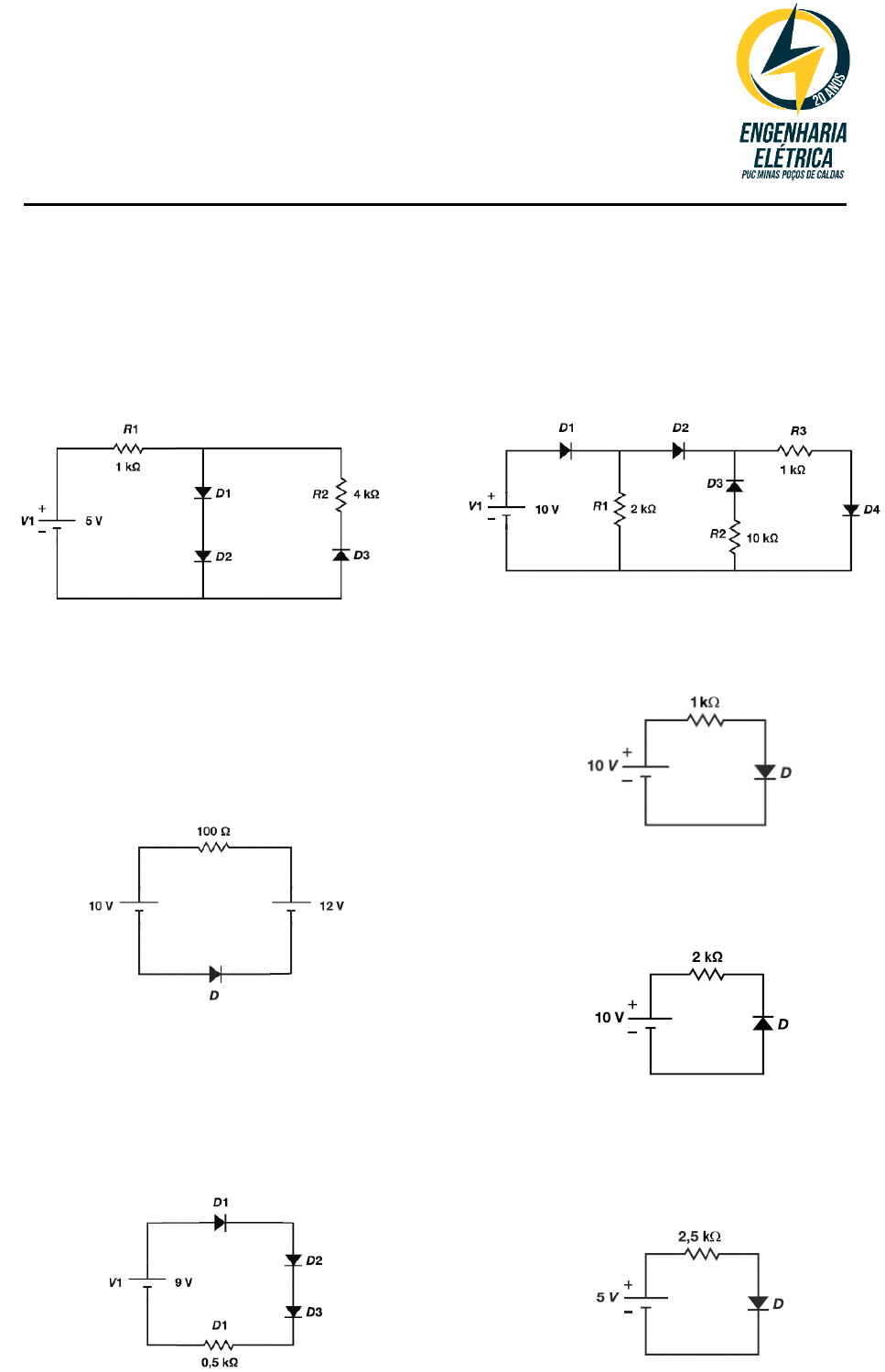
Eletrônica I Curso de Engenharia Elétrica – PUC Minas campus Poços de Caldas Prof. Celso Iwata Frison Entrega dia 30/03/2020 – Valor: 6 Pontos LISTA DE EXERCÍCIOS 1. Considerando diodos de silício (VD = 0,7V), encontre para o circuito da Figura 1, os valores das tensões e correntes elétrica que atravessa cada um dos componentes. Figura 1 - Circuito para Exercícios 1 e 2 2. Repita o exercício 1, considerando diodos de germânio (VD = 0,3V). 3. Considerando que o diodo D seja ideal, a configuração deste elemento na Figura 2 está na polarização direta ou reversa? Encontre VD e ID. Figura 2 - Circuito para Exercício 3. 4. Considerando diodos de silício (VD = 0,7V), encontre para o circuito da Figura 3, os valores das tensões e correntes elétrica que atravessa cada um dos componentes. Figura 3 - Circuito para Exercício 4. 5. Considerando diodos de silício (VD = 0,7V), encontre para o circuito da Figura 4, os valores das tensões e correntes elétrica que atravessa cada um dos componentes. Figura 4 - Circuito para o exercício 5. 6. Dado o circuito da Figura 5, calcule sua corrente, a tensão no resistor e a tensão no diodo de silício. Figura 5 - Circuito para Exercício 6. 7. Dado o circuito da Figura 6, calcule sua corrente, a tensão no resistor e a tensão no diodo de silício. Figura 6 - Circuito para o Exercício 7. 8. Dado o circuito, calcule sua corrente, a tensão no resistor e a tensão no diodo. Use a aproximação para o diodo ideal. Figura 7 - Circuito para Exercício 8. 9. Qual a corrente que atravessa o diodo zener da Figura 8? Essa corrente está de acordo com o datasheet do diodo 1N4740A? Figura 8 - Circuito para Exercícios 9 e 10. 10. Qual o menor valor de resistor que pode ser dimensionado para o circuito da Figura 8, de forma que a corrente que circula no circuito não danifique o diodo zener? Considere o diodo 1N4740A. 11. Dimensione os resistores de limitação para os circuitos da Figura 9 (use 10 mA como corrente do circuito para o dimensionamento). Considere VLED = 2V. Figura 9 - Circuitos para o Exercício 11. 12. No circuito da Figura 10, o diodo tem potência de dissipação máxima de 400 mW. Qual é o valor mínimo do resistor Rs para evitar que o diodo zener seja danificado? Figura 10 - Circuito para Exercícios 12 e 13. 13. Para um resistor limitador de corrente de 330 Ω, qual é o menor valor de resistor de carga fixa (RL) que permite o funcionamento do regulador zener para um diodo de IZmín = 3 mA? Considere o circuito da Figura 10. 14. Considere o circuito da Figura 11, em que Vf = 30 V, e R1 e R2 valem, respectivamente, 300 Ω e 2,7 kΩ. A corrente no diodo zener, que está operando em sua tensão de ruptura, é de 20 mA. Qual a tensão do diodo zener? Figura 11 - Circuito para Exercício 14. 15. O circuito da Figura 12 mostra um transformador com tensão total, no secundário de 50 VRMS e uma carga RL = 5 Ω. Considerando o diodo ideal, determine a tensão média na carga, a corrente média na carga e a potência média na carga. Figura 12 - Circuito para Exercícios 15, 16 e 17. 16. Considerando um diodo de silício, para o circuito presente na Figura 12, encontre a tensão e a corrente média na carga RL = 10 Ω. Considere uma tensão no secundário de 12 VRMS. 17. A partir dos resultados do exercício 16, desenhe as formas de onda de tensão no secundário do transformador, no diodo e na carga, com suas respectivas amplitudes máximas. Considere uma frequência de 60 Hz. 18. O circuito da Figura 13 mostra um transformador com tensão total no secundário de 45 VRMS, ligado em um retificador de onda completa na configuração de ponte, com diodos de silício e uma carga RL = 20 Ω. Determine a tensão e a corrente média na carga. Figura 13 - Circuito para Exercícios 18, 19 e 20. 19. A partir dos resultados do exercício 18, desenhe as formas de onda de tensão no secundário do transformador, no diodo e na carga, com suas respectivas amplitudes máximas. Considere uma frequência de 60 Hz. 20. No circuito da Figura 13, considerando a tensão no secundário de transformador de 100 VRMS e a carga de RL = 5 Ω, encontre a tensão, corrente e potência média na carga. Considere o uso de diodos ideais. 21. Determine a faixa de valores de R no circuito da Figura 14, para que o diodo zener funcione na região de regulação. Dados: V = 20V, VZ = 5,6V, PZmax = 1W, IZmin = 15 mA e RL = 1 kΩ. Figura 14 - Circuito para Exercício 21. 22. Encontre VD e ID para os circuitos das Figura 15. Figura 15 - Circuito para Exercício 22. 23. Encontre VD e ID para os circuitos das Figura 16. Figura 16 - Circuito para Exercício 23. 24. Determine VO e I para os seguintes circuitos: Figura 17 - Circuito para Exercício 24. 25. Determine VO e ID para os seguintes circuitos: Figura 18 - Circuito para Exercício 25. 26. Determine VO e ID para o seguinte circuito: Figura 19 - Circuito para Exercício 26. 27. Determine VL, IL, IZ e IR, para o circuito da Figura 20. a. Considere RL= 180 Ω. b. Considere RL = 470 Ω. c. Determine o valor de RL que leva o diodo zener a operar na máxima potência. d. Determine o valor mínimo de RL que garanta que o diodo zener está no modo “on”. Figura 20 - Circuito para Exercício 27. 28. Determine a faixa em que Vi irá manter a carga (VL) em 8V e não irá exceder a potência máxima do diodo zener. Figura 21 - Circuito para Exercício 28. Bom Trabalho!