Logo Passei Direto
Buscar

Ferramentas de estudo

Material
páginas com resultados encontrados.
páginas com resultados encontrados.
left-side-bubbles-backgroundright-side-bubbles-background

Crie sua conta grátis para liberar esse material. 🤩

Já tem uma conta?

Ao continuar, você aceita os Termos de Uso e Política de Privacidade

left-side-bubbles-backgroundright-side-bubbles-background

Crie sua conta grátis para liberar esse material. 🤩

Já tem uma conta?

Ao continuar, você aceita os Termos de Uso e Política de Privacidade

Prévia do material em texto

Universidade Federal do ABC
ESTO001-13 – Circuitos Elétricos e Fotônica
Profª. Heloise Assis Fazzolari
Experimento 1: Circuitos resistivos série e paralelo
Nome: RA:
1 Objetivos
Adquirir familiaridade com circuitos resistivos série e paralelo e verificar as leis de Ohm e Kirchhoff.
1.1 Circuito Série
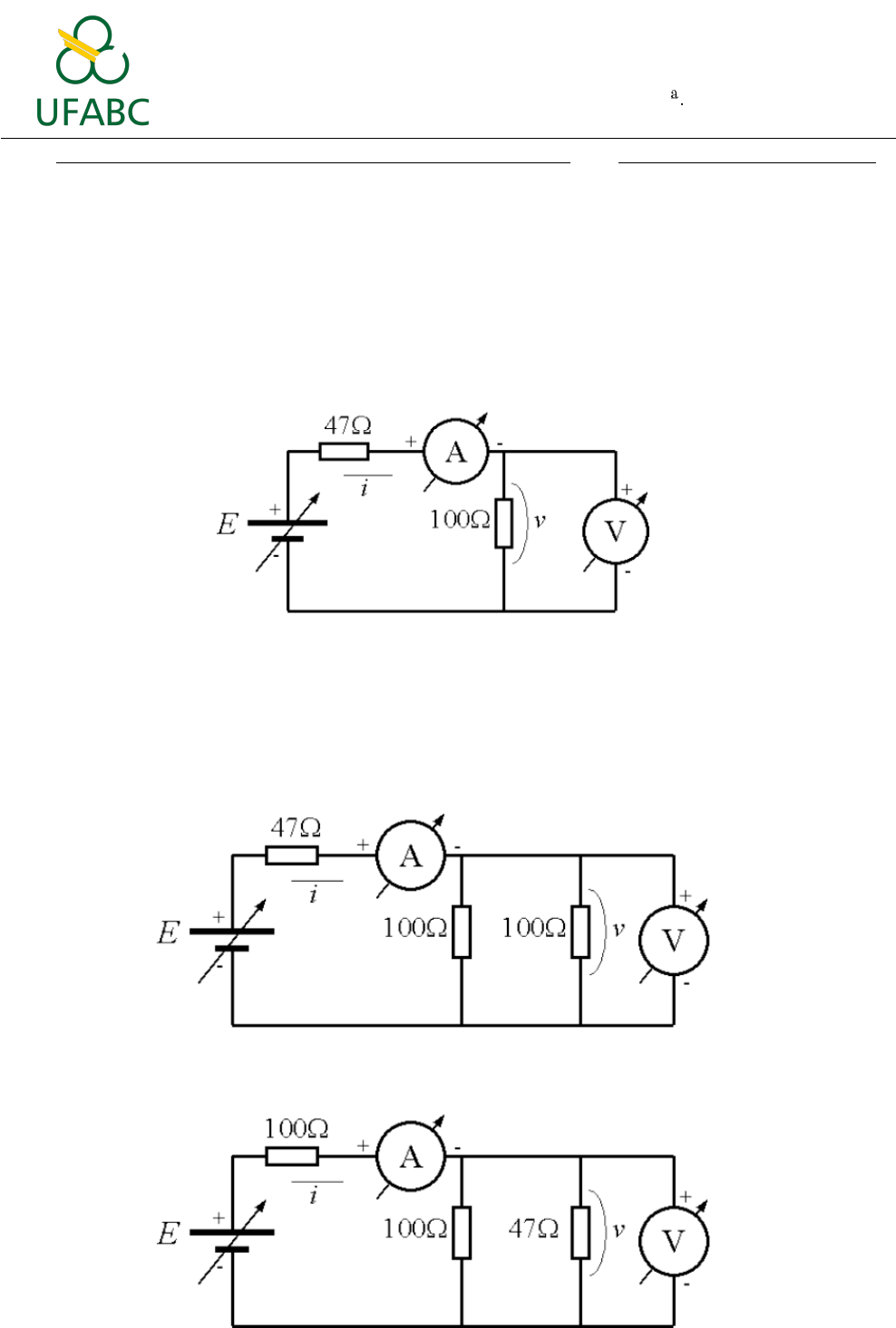
Para o circuito série apresentado na Figura 1, calcule os valores de corrente e tensão que estão sendo medidos
pelo ampeŕımetro e volt́ımetro, respectivamente. Considere E = 5V .
Figura 1: Circuito Série
1.2 Circuito Série-Paralelo
Para os circuitos mistos apresentados nas Figuras 2 e 3, calcule os valores de corrente e tensão que estão
sendo medidos pelo ampeŕımetro e volt́ımetro, respectivamente. Considere E = 5V .
Figura 2: Circuito Misto 1
Figura 3: Circuito Misto 2
1
Preencha a Tabela 1 com os resultados obtidos.
v calculado
(valores nominais)
i calculado
(valores nominais)
Circuito Série
Circuito Misto 1
Circuito Misto 2
Tabela 1: Resultados com os valores nominais dos componentes.
2 Parte Experimental
Montar o circuitos das figura 1 utilizando o laboratório virtual da plataforma Phet Simulations dispońıvel no
link: https://phet.colorado.edu/sims/html/circuit-construction-kit-dc/latest/circuit-construction-kit-dc_
en.html.
� Observe o código de cores dos resistores ao selecionar a resistência e comente.
� Inclua o volt́ımetro e o ampeŕımetro conforme indicado na figura 1 atentando para a polaridade
(positiva e negativa) dos terminais dos equipamentos.
� Meça os valores da tensão v (VDC) e da corrente i (IDC) no circuito, e anote os resultados.
� Inverta os terminais do ampeŕımetro e depois do volt́ımetro e verifique como são alteradas as leituras
nos aparelhos. Anote suas observações e volte os terminais para as posições originais.
� Conecte agora no circuito o outro resistor de 100Ω, em paralelo com o resistor igual já conectado ao
circuito (Figura 2).
� Meça os valores da tensão v (VDC) e da corrente i (IDC) no circuito, e anote os resultados.
� Troque de posição um dos resistores de 100Ω com o de 47Ω (Figura 3).
� Meça os valores da tensão v (VDC) e da corrente i (IDC) no circuito, e anote os resultados.
� Complete a Tabela 2, com os resultados medidos, e os resultados calculados.
v medido
v calculado
(valores reais)
i medido
i calculado
(valores reais)
Circuito Série
Circuito Misto 1
Circuito Misto 2
Tabela 2: Circuitos Resistivos
2.1 Análise e interpretação dos resultados
1. A partir dos valores medidos, determine as potências dissipadas nos resistores dos circuitos de cada
configuração experimentada (Circuito Série, Circuito Misto 1 e Circuito Misto 2), bem como a potência
fornecida pela fonte de tensão CC. Verifique a conservação de potência no circuito.
Para se familiarizar com o ambiente virtual, assista ao tutorial dispońıvel em:
https://youtu.be/ZkIG0knetpk
2. Explique claramente o que muda nas configurações dos circuitos estudados (Figuras 1, 2 e 3) em termos
de tensão, corrente e potência. Os resultados estão de acordo com a Lei de Ohm, as Leis de Kirchhoff
e a Lei de conservação de potência no circuito?
2
https://phet.colorado.edu/sims/html/circuit-construction-kit-dc/latest/circuit-construction-kit-dc_en.html
https://phet.colorado.edu/sims/html/circuit-construction-kit-dc/latest/circuit-construction-kit-dc_en.html
https://youtu.be/ZkIG0knetpk
	Objetivos
	Circuito Série
	Circuito Série-Paralelo
	Parte Experimental
	Análise e interpretação dos resultados

Mais conteúdos dessa disciplina