Logo Passei Direto
Buscar
Material
páginas com resultados encontrados.
páginas com resultados encontrados.
left-side-bubbles-backgroundright-side-bubbles-background

Crie sua conta grátis para liberar esse material. 🤩

Já tem uma conta?

Ao continuar, você aceita os Termos de Uso e Política de Privacidade

left-side-bubbles-backgroundright-side-bubbles-background

Crie sua conta grátis para liberar esse material. 🤩

Já tem uma conta?

Ao continuar, você aceita os Termos de Uso e Política de Privacidade

Prévia do material em texto

Disciplina: Eletrotécnica Prof.: Fabio Junio Coelho 
Nome: Turma: 
Exercícios 6 – Associação de resistores 
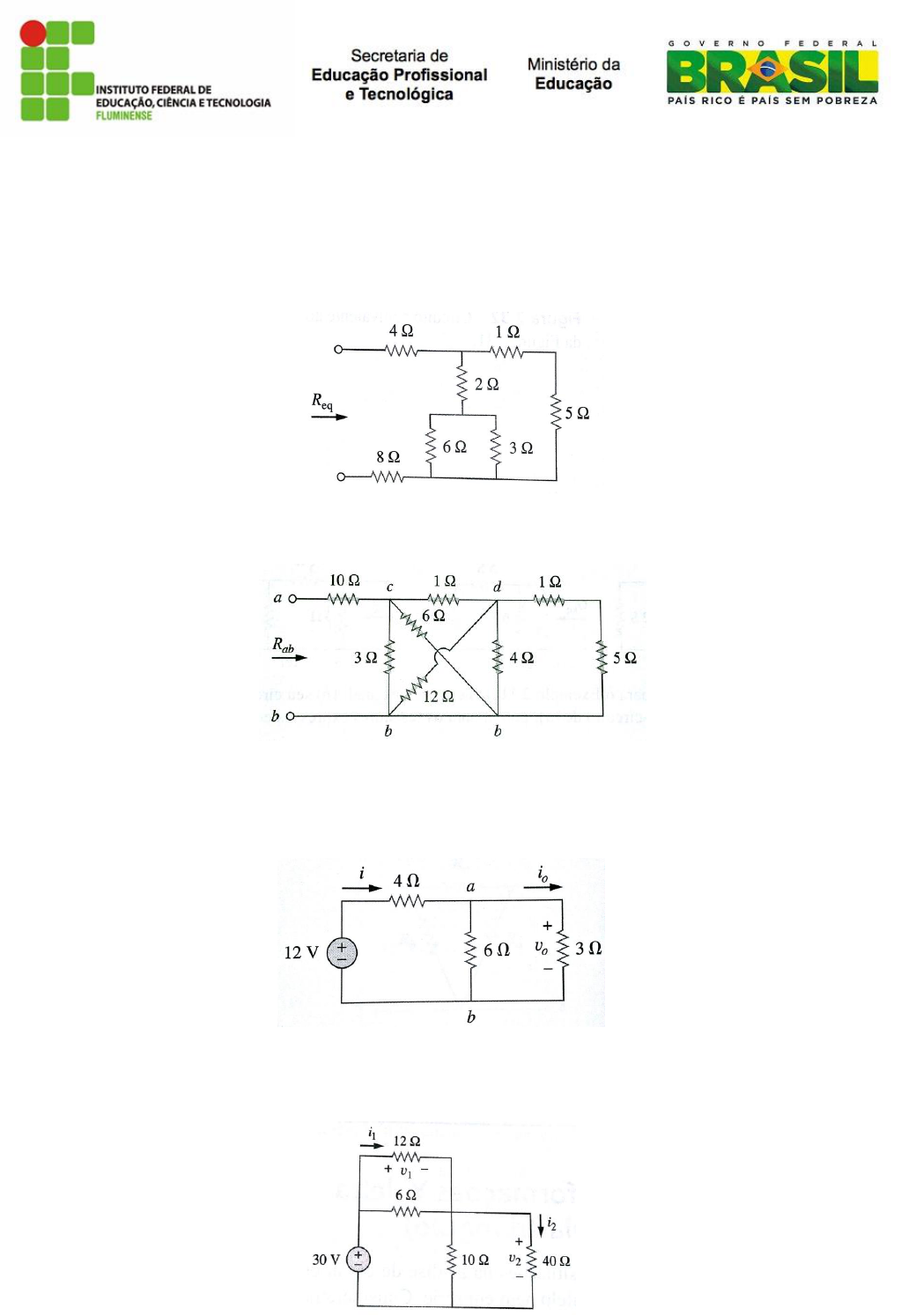
1) Determine a Req para o circuito da figura 1. 
 
 
Figura 1 
 
2) Calcule a resistência equivalente Rab no circuito da figura 2. 
 
 
Figura 2 
 
3) Determine i0 e v0 no circuito mostrado na figura 3. Calcule a potência dissipada no resistor de 3 
Ω. 
 
Figura 3 
 
4) Determine v1 e v2 no circuito mostrado na figura 4. Calcule também i1 e i2 e a potência 
dissipada nos resistores de 12 Ω e 40 Ω. 
 
Figura 4 
5) Para o circuito mostrado na figura 5, determine: (a) tensão v0; (b) potência fornecida pela 
fonte de corrente; (c) potência absorvida por cada resistor. 
 
 
Figura 5 
 
6) Para o circuito mostrado na figura 6, determine: (a) v1 e v2; (b) potência dissipada nos 
resistores de 3 kΩ e 20 kΩ; e (c) potência fornecida pela fonte de corrente. 
 
Figura 6 
 
7) Para o circuito da figura 7, i0 = 3A. Calcule ix e a potência total dissipada pelo circuito. 
 
Figura 7 
 
8) Se Req = 50 Ω no circuito da Figura 9, determine R. 
 
 
 
 
Figura 9

Mais conteúdos dessa disciplina