Logo Passei Direto
Buscar
Material
páginas com resultados encontrados.
páginas com resultados encontrados.
left-side-bubbles-backgroundright-side-bubbles-background

Crie sua conta grátis para liberar esse material. 🤩

Já tem uma conta?

Ao continuar, você aceita os Termos de Uso e Política de Privacidade

left-side-bubbles-backgroundright-side-bubbles-background

Crie sua conta grátis para liberar esse material. 🤩

Já tem uma conta?

Ao continuar, você aceita os Termos de Uso e Política de Privacidade

Prévia do material em texto

Lista de exercícios 1 
ELETRÔNICA I - Engenharia Elétrica 
 
 
Parte 1 - Amplificadores Operacionais 
1) Exemplos resolvidos do Cap 2 do Livro: “Microeletrônica”, Sedra 5 ed. 
2) Exercícios 2.7; 2.9; 2.13; 2.15; 2.16; 2.27; do Livro: “Microeletrônica”, Sedra 5 ed. 
3) Problemas: 2.1; 2.6; 2.14; 2.18; 2.26; 2.47; do Livro: “Microeletrônica”, Sedra 5 ed. 
OBS: Os exercícios 4, 5 e 6 deverão ser entregues resolvidos no dia da primeira prova 
(20/10/2017). 
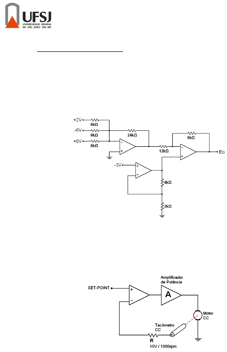
4) Calcular Eo do circuito abaixo, considerando todos Amp Ops ideais: 
 
 
 
5) Um gerador tacométrico (ou tacômetro) é um tipo de gerador elétrico que fornece uma 
tensão de saída proporcional à velocidade do seu eixo, o qual é mecanicamente acoplado ao 
eixo de um motor, possibilitando assim, a medição e o controle da velocidade (em RPM) 
do motor. Na figura a seguir, temos o diagrama em blocos de um sistema de controle de 
velocidade de um motor CC. Explique o funcionamento desse sistema, bem como a 
função do set-point na entrada não-inversora do comparador. 
 
 
6) Exercício 2.17 do Livro: “Microeletrônica”, Sedra, 5 ed. 
 
 
 
Parte 2 - Diodos 
7) Exemplos resolvidos do Cap 3 do Livro: “Microeletrônica”, Sedra 5 ed. 
8) Exercícios 3.4; 3.12; 3.13; 3.18; 3.19; 3.22 do Livro: “Microeletrônica”, Sedra 5 ed. 
9) Problemas: 3.4; 3.5; 3.7; 3.17; 3.22; 3.24 do Livro: “Microeletrônica”, Sedra 5 ed. 
OBS: Os exercícios 10 e 11 deverão ser entregues resolvidos no dia da primeira prova 
(20/10/2017). 
10) Problema 3.27 do Livro: “Microeletrônica”, Sedra 5 ed. 
11) Problema 3.7 do Livro: “Microeletrônica”, Sedra 5 ed.

Mais conteúdos dessa disciplina