Logo Passei Direto
Buscar
Material
páginas com resultados encontrados.
páginas com resultados encontrados.

Prévia do material em texto

( ) Prova ( ) Prova Semestral 
 (X) Exercícios ( ) Segunda Chamada 
 ( ) Prova Modular ( ) Prova de Recuperação 
 ( ) Prática de Laboratório ( ) Exame Final/Exame de Certificação 
 ( ) Aproveitamento Extraordinário de Estudos 
Nota: 
 
 
 
 
Disciplina: EL-314 / EL-364 – Lista 04 – Diagrama Temporal Turma: 
Professor: Ubiratan Ramos Data: ___ / ___ /20__ 
Aluno (a): 
 
RQ 0501 Rev. 14 
Página 1 de 1 
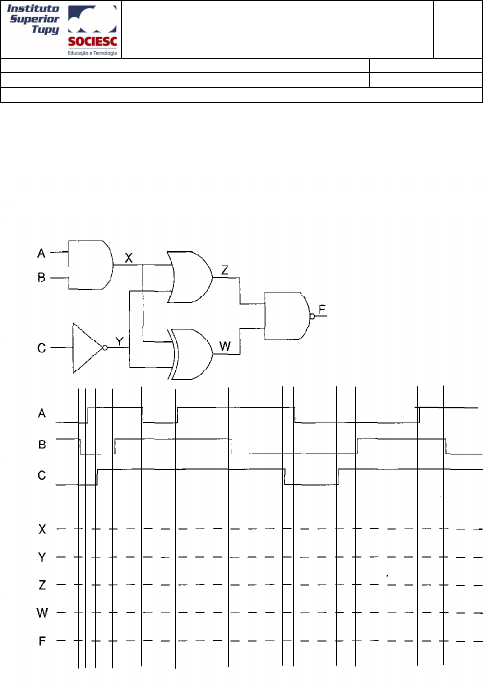
1) Desenhe as formas de onda nos pontos X, Y, Z, W e F do circuito abaixo, em função das 
entradas A, B e C. Dica: trace uma reta vertical a cada transição das entradas (por que?). Após 
isto, montar a Tabela Verdade e confrontar os resultados. Escrever a expressão booleana do 
circuito e reduzi-la, utilizando Mapa de Veitch-Karnaugh. Desenhar o novo circuito.

Mais conteúdos dessa disciplina