Logo Passei Direto
Buscar
Material
páginas com resultados encontrados.
páginas com resultados encontrados.
left-side-bubbles-backgroundright-side-bubbles-background

Experimente o Premium!star struck emoji

Acesse conteúdos dessa e de diversas outras disciplinas.

Libere conteúdos
sem pagar

Ajude estudantes e ganhe conteúdos liberados!

left-side-bubbles-backgroundright-side-bubbles-background

Experimente o Premium!star struck emoji

Acesse conteúdos dessa e de diversas outras disciplinas.

Libere conteúdos
sem pagar

Ajude estudantes e ganhe conteúdos liberados!

Prévia do material em texto

Pincel Atômico - 16/02/2026 10:37:49 1/2
MAYCON GOMES DE
PAULA DIAS
Exercício Caminho do Conhecimento - Etapa 10 (25540)
Atividade finalizada em 18/10/2025 14:53:16 (5273521 / 1)
LEGENDA
Resposta correta na questão
# Resposta correta - Questão Anulada
X Resposta selecionada pelo Aluno
Disciplina:
ELETRICIDADE [1617481] - Avaliação com 4 questões, com o peso total de 4,33 pontos [capítulos - 115]
Turma:
Curso Técnico: Eletrotécnica - Grupo: ABRIL/25 PRES - ELEGUA.ABR25.NOT [167686]
Aluno(a):
91510257 - MAYCON GOMES DE PAULA DIAS - Respondeu 2 questões corretas, obtendo um total de 2,17 pontos como nota
[114_175166]
Questão
001
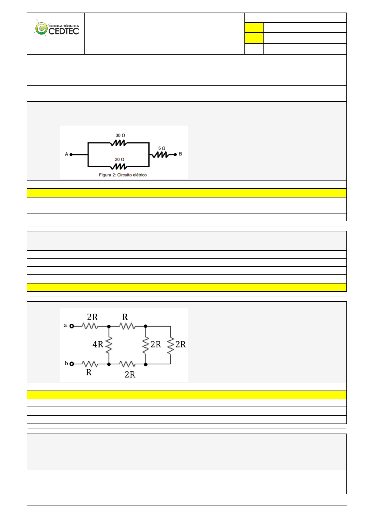
Na análise de circuitos elétricos é conveniente representar um trecho com muitos resistores por um único resistor cuja resistência
equivale à do conjunto. A resistência final dessa associação é comumente denominada resistência equivalente (Req). A Figura 2
apresenta um circuito elétrico aleatório. Assinale a alternativa que representa corretamente o valor da resistência equivalente entre os
pontos A e B.
30 Ω (ohms)
X 17 Ω (ohms)
12 Ω (ohms)
55 Ω (ohms)
35 Ω (ohms)
[114_175164]
Questão
002
Podemos dizer que uma ponte de Wheatstone encontra-se em equilíbrio quando.
As resistências dos três resistores conhecidos são iguais.
Há diferença de potencial entre os terminais dos resistores.
A corrente que flui no galvanômetro é da ordem de mA.
X Os produtos cruzados de suas resistências são iguais.
Não há diferença de potencial entre os ramos que contêm os resistores.
[440_175172]
Questão
003
Assinale a alternativa que apresenta o valor CORRETO da resistência elétrica equivalente entre os pontos a e b do circuito dado:
6R Ω
5R Ω
2R Ω
X 3R Ω
4R Ω
[114_175165]
Questão
004
Analise as afirmações a seguir, referentes a um circuito contendo três resistores de resistências diferentes, associados em paralelo e
submetidos a uma certa diferença de potencial, verificando se são verdadeiras ou falsas.
I – A resistência do resistor equivalente é menor do que a menor das resistências dos resistores do conjunto;
II – A corrente elétrica é menor no resistor de maior resistência;
III – A potência elétrica dissipada é maior no resistor de maior resistência;
A sequência CORRETA é:
V, V, V
F, V, F
F, F, V
Pincel Atômico - 16/02/2026 10:37:49 2/2
V, F, F
X V, V, F

Mais conteúdos dessa disciplina