Logo Passei Direto
Buscar
Material
páginas com resultados encontrados.
páginas com resultados encontrados.
left-side-bubbles-backgroundright-side-bubbles-background

Crie sua conta grátis para liberar esse material. 🤩

Já tem uma conta?

Ao continuar, você aceita os Termos de Uso e Política de Privacidade

Prévia do material em texto

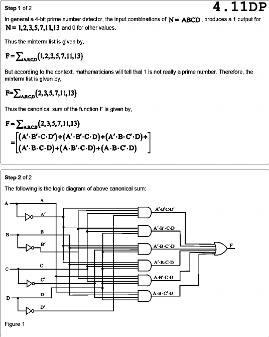
Step 1 of 2 4.11DP In general a 4-bit prime number detector, the input combinations of N = ABCD, produces a 1 output for N= 1,2,3,5,7,11,13 and 0 for other values. Thus the minterm list is given by, But according to the context, mathematicians will tell that 1 is not really a prime number. Therefore, the minterm list is given by, Thus the canonical sum of the function F is given by, = Step 2 of 2 The following is the logic diagram of above canonical sum: A A A' B B B' F C C C' D D D' Figure 1

Mais conteúdos dessa disciplina