Logo Passei Direto
Buscar
Material
páginas com resultados encontrados.
páginas com resultados encontrados.
left-side-bubbles-backgroundright-side-bubbles-background

Crie sua conta grátis para liberar esse material. 🤩

Já tem uma conta?

Ao continuar, você aceita os Termos de Uso e Política de Privacidade

left-side-bubbles-backgroundright-side-bubbles-background

Crie sua conta grátis para liberar esse material. 🤩

Já tem uma conta?

Ao continuar, você aceita os Termos de Uso e Política de Privacidade

left-side-bubbles-backgroundright-side-bubbles-background

Crie sua conta grátis para liberar esse material. 🤩

Já tem uma conta?

Ao continuar, você aceita os Termos de Uso e Política de Privacidade

Prévia do material em texto

Atividade 05 - Final - Segundo semestre 2022
2° eletroeletrônica diurno
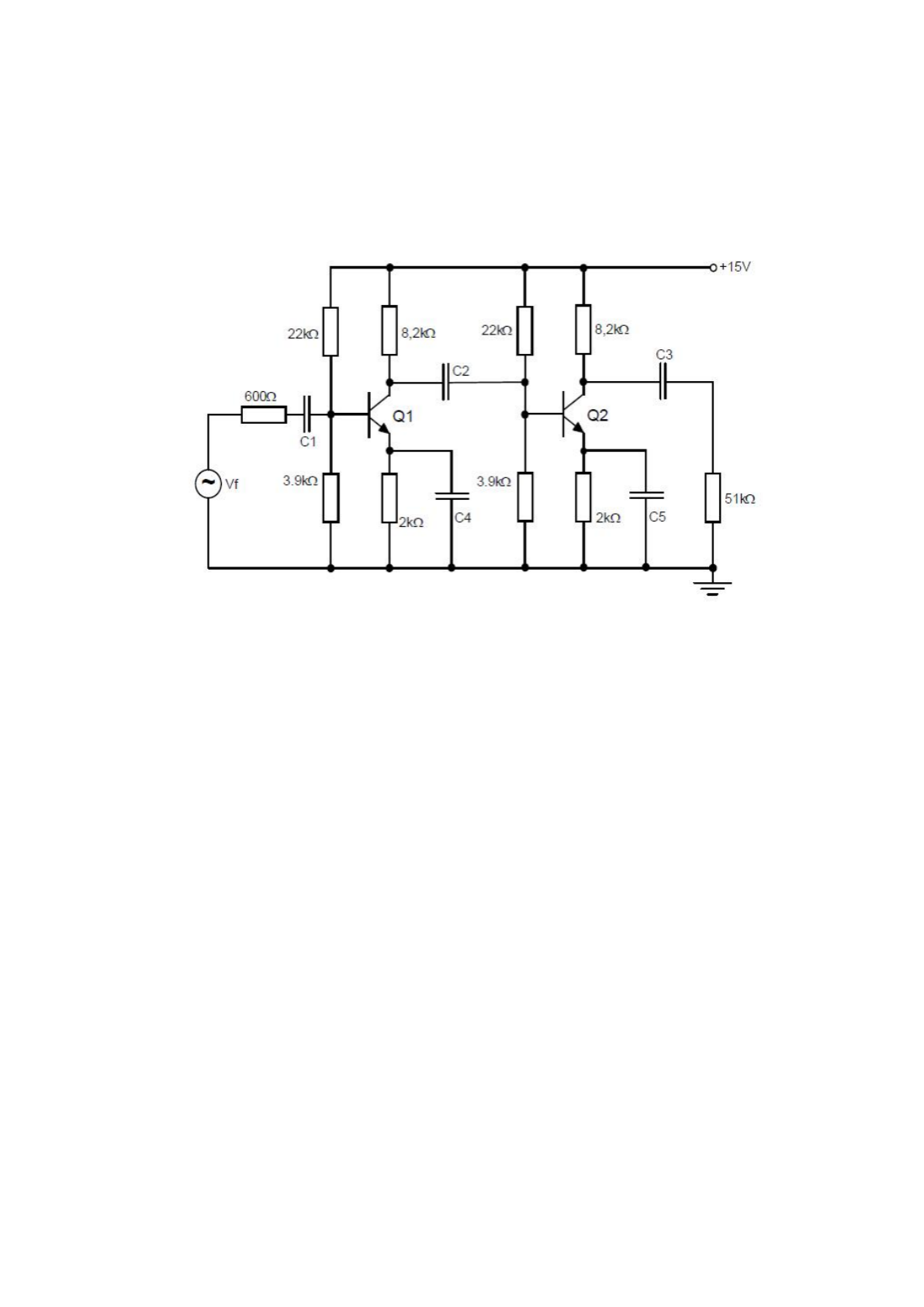
1-
dados:
tensão ac de saída= 200 mV
tensão ac da fonte de sinal= 1 mV
tensão ac de entrada para o segundo estágio= 57 mV
β= 100
Cálculos:
O problema se encontra no segundo transistor, é possível notar isso pelo
seu ganho de tensão extremamente baixo. Esse problema faz com que
o capacitor C5 deixe de funcionar corretamente.
Utilizando o osciloscópio na simulação é possível notar que no circuito
com defeito a tensão de saída é mais de dez vezes menor que a tensão
de saída do outro circuito, provando que realmente o problema está em
C5.
Conclusão:
A partir da análise do circuito e de cálculos é possível perceber que o
problema do circuito se encontra no capacitor C5 que se comporta
como aberto, diminuindo o ganho de tensão por aumentar a impedância
do segundo estágio. O circuito correto apresenta C5 funcionando
perfeitamente.

Mais conteúdos dessa disciplina