Logo Passei Direto
Buscar
Material
páginas com resultados encontrados.
páginas com resultados encontrados.
left-side-bubbles-backgroundright-side-bubbles-background

Crie sua conta grátis para liberar esse material. 🤩

Já tem uma conta?

Ao continuar, você aceita os Termos de Uso e Política de Privacidade

left-side-bubbles-backgroundright-side-bubbles-background

Crie sua conta grátis para liberar esse material. 🤩

Já tem uma conta?

Ao continuar, você aceita os Termos de Uso e Política de Privacidade

Prévia do material em texto

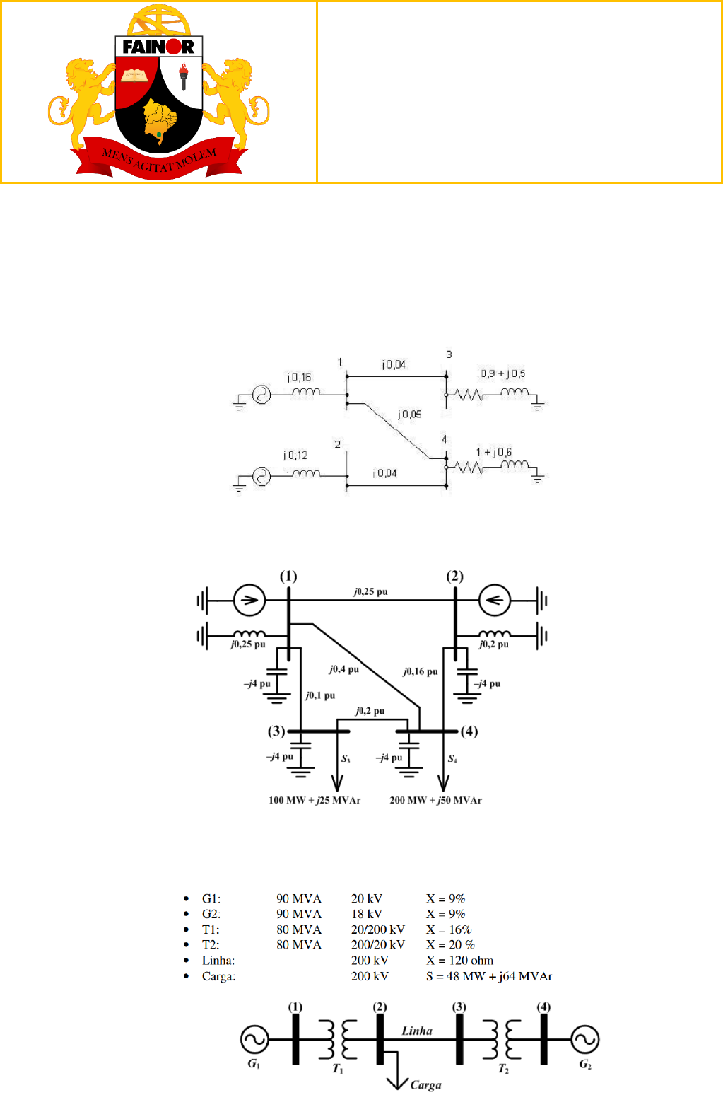
<p>FAINOR - FACULDADE INDEPENDENTE DO NORDESTE</p><p>COLEGIADO DE ENGENHARIA ELÉTRICA</p><p>Docente: Selma Alves de Oliveira</p><p>Disciplina: Análise de Sistemas Elétricos de Potência</p><p>Turno: Noturno Data: 23/09/2024</p><p>Graduação em Engenharia Elétrica</p><p>LISTA DE EXERCÍCIOS AVALIATIVA 03</p><p>Conteúdo: Matriz de Admitâncias e Redução de Kron</p><p>1. Determinar a matriz admitância de barras para o esquema da figura a seguir, que representa o diagrama de</p><p>reatâncias da rede, com dados em p.u.</p><p>2. Determinar a matriz admitância de barras para o esquema da figura abaixo, que apresenta os dados de reatâncias</p><p>da rede, com valores em p.u.</p><p>3. Esboce o diagrama de impedâncias e admitâncias para o sistema abaixo, mostrando todas as impedâncias e</p><p>admitâncias em pu na base 100 MVA. Escolha 20 kV como tensão base para o gerador. Monte também a matriz de</p><p>admitâncias nodal da rede.</p><p>https://www.google.com.br/url?sa=i&rct=j&q=&esrc=s&source=images&cd=&ved=2ahUKEwjv8qb-6rviAhWcH7kGHbT6CkAQjRx6BAgBEAU&url=http%3A%2F%2Fwww.fainor.com.br%2Fv2%2F%3Fpage_id%3D64791&psig=AOvVaw0nn1advVMwMgWnNgYeQ6gy&ust=1558996719092848</p><p>4. A figura a seguir representa um sistema de potência com 5 (cinco) barras e 6 (seis) linhas.</p><p>O elemento 𝑌22 da matriz 𝑌𝐵𝐴𝑅𝑅𝐴 é:</p><p>A. 1,8 – j 7,2 pu</p><p>B. 0,6 – j 2,4 pu</p><p>C. 2,4 – j 9,6 pu</p><p>D. 2,4 – j 0 pu</p><p>E. 0 – j 9,6 pu</p><p>5. Construir a matriz de admitância nodal (Ybarra) para a rede da figura abaixo, que é um diagrama de impedâncias,</p><p>sendo os valores dados em pu. na mesma base.</p><p>6. Para a rede da figura do exercício 2, eliminar o nó 3 da matriz admitância nodal obtida e construir uma rede</p><p>equivalente com três barras.</p><p>7. Considere o diagrama de impedâncias mostrado na Figura 1. (a) Construa sua matriz de impedâncias de barras e</p><p>(b) elimine a barra 3.</p><p>“A finalidade da educação é substituir uma mente vazia por aberta.”</p><p>Malcolm Forbes.</p>

Mais conteúdos dessa disciplina