Logo Passei Direto
Material
Study with thousands of resources!

Text Material Preview

(NI: 0218) 
Física 02 
Tópico 07 
Vestibulares 
Questão 05 
Nível: fácil 
Assunto: 6.26.66 
Sendo os resistores iguais e estando eles numa configu-
ração de ponte de Wheatstone a ddp em todos os resisto-
res, exceto o que liga D a C, têm a mesma ddp de 50V. 
Resposta: 50V 
(NI: 0219) 
Física 02 
Tópico 07 
Vestibulares 
Questão 06 
Nível: fácil 
Assunto: 6.26.66 
Podemos ver que os resistores de 2Ω, 4Ω, 5Ω, 3Ω e 6Ω 
configuram uma ponte de Wheatstone, uma vez que: 
3x4=2x6, portanto não existe ddp no resistor de 5Ω e, 
portanto não há passagem de corrente por este resistor. 
Resposta: zero 
(NI: 0220) 
Física 02 
Tópico 07 
Vestibulares 
Questão 07 
Nível: médio 
Assunto: 6.26.66 
Pelo calculo do resistor “shuntado” no amperímetro te-
mos: 
Aii
R
R
ii
S
G
G 10
100,1
100,910,11 2
2
=⇒⎟⎟
⎠
⎞
⎜⎜
⎝
⎛
⋅
⋅
+⋅=⇒⎟⎟
⎠
⎞
⎜⎜
⎝
⎛
+⋅= −
−
 
Resposta letra (b) 
(NI: 0221) 
Física 02 
Tópico 07 
Vestibulares 
Questão 08 
Nível: médio 
Assunto: 6.26.66 
Pela lei de Ohm temos: 
Ω=== 100
0,1
100
mA
mV
i
UR
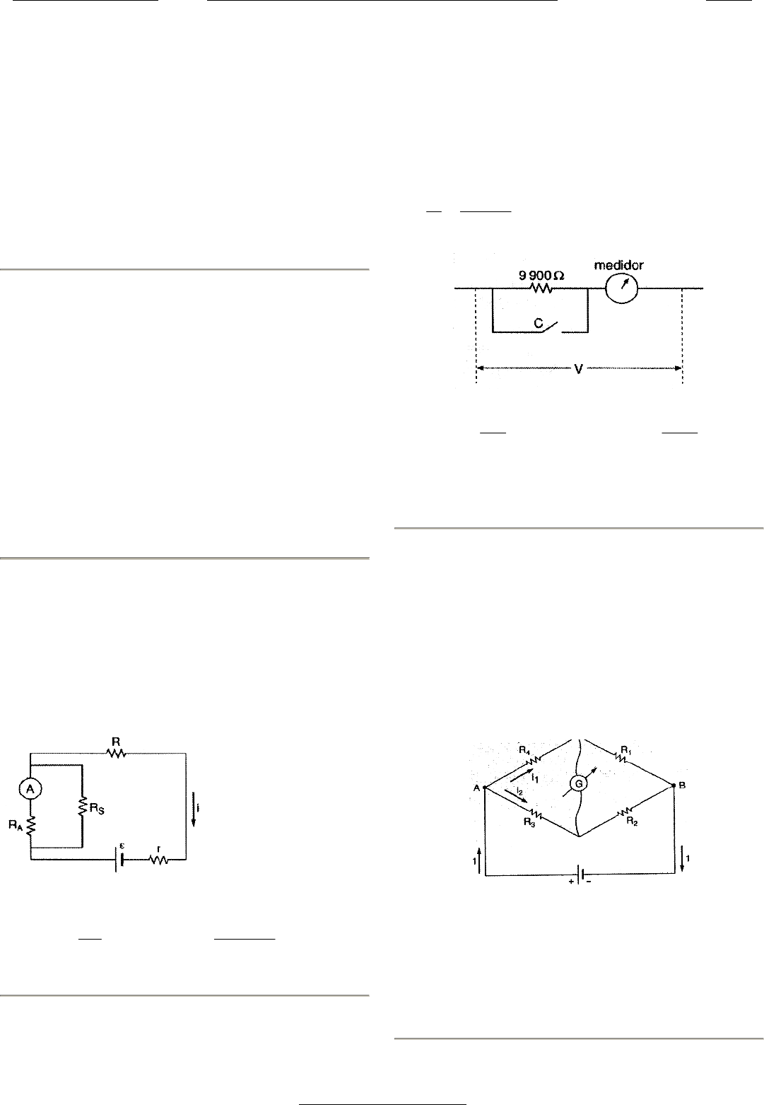
Quando associado a um resistor de 9900Ω temos: 
VU
U
R
RUU
G
M
G
10
100
99001101001 3
=
⇒⎟
⎠
⎞
⎜
⎝
⎛ +⋅=⇒⎟⎟
⎠
⎞
⎜⎜
⎝
⎛
+= −
Respostas: a) 100Ω; b) 10V 
(NI: 0222) 
Física 02 
Tópico 07 
Vestibulares 
Questão 09 
Nível: médio 
Assunto: 6.26.66 
Se não há passagem de corrente pelo galvanômetro, não 
existe diferença de potencial entre suas extremidades. 
Portanto a queda pelo ramo R4 é a mesma pelo ramos 
R3, enquanto que a queda pelo ramo R1 é a mesma que a 
queda pelo ramo R2. Daí conclui-se que: 
023142314 =⋅−⋅⇒⋅=⋅ iRiRiRiR 
E pela estrutura da ponte de Wheatstone temos: 
1324 RRRR ⋅=⋅
Resposta letra (c) 
29 
Prof. Sérgio Torres Caderno - 01 - Com Resoluções das Questões Física
15/05/2010 110/160