Logo Passei Direto
Buscar

Programas Ladder em Automação Industrial

Ferramentas de estudo

Questões resolvidas

Material
páginas com resultados encontrados.
páginas com resultados encontrados.
left-side-bubbles-backgroundright-side-bubbles-background

Crie sua conta grátis para liberar esse material. 🤩

Já tem uma conta?

Ao continuar, você aceita os Termos de Uso e Política de Privacidade

left-side-bubbles-backgroundright-side-bubbles-background

Crie sua conta grátis para liberar esse material. 🤩

Já tem uma conta?

Ao continuar, você aceita os Termos de Uso e Política de Privacidade

left-side-bubbles-backgroundright-side-bubbles-background

Crie sua conta grátis para liberar esse material. 🤩

Já tem uma conta?

Ao continuar, você aceita os Termos de Uso e Política de Privacidade

left-side-bubbles-backgroundright-side-bubbles-background

Crie sua conta grátis para liberar esse material. 🤩

Já tem uma conta?

Ao continuar, você aceita os Termos de Uso e Política de Privacidade

Questões resolvidas

Prévia do material em texto

EXERCÍCIOS DE AUTOMAÇÃO INDUSTRIAL 
Ex. 1: Elaborar dois programas Ladder utilizando duas botoeiras L1 e D1 (entradas) para 
Ligar e Desligar uma Bomba (saída), sendo que no 1º. As 2 botoeiras são NA e no 2º. D1 é 
NF. 
 
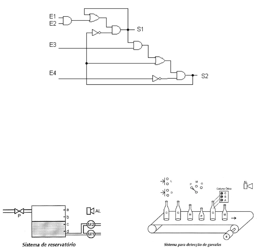
Ex. 2: Elaborar um programa Ladder para executar o circuito Lógico a seguir. 
 
 
Ex. 3: Elaborar um programa Ladder para controlar dois relés (R1 e R2) de tal maneira que 
R1 pode atuar de forma independente e R2 só pode atuar se R1 estiver ligado, mas pode 
continuar ligado após o desligamento de R1. Os relés são ligados pelas botoeiras L1 e L2, e 
são desligados pelas botoeiras D1 e D2. 
 
Ex. 4: Elaborar um programa Ladder de controle para um reservatório composto de uma 
válvula de entrada P, duas bombas (acionadas por M1 e M2), um alarme AL e quatro 
sensores de nível (a, b, c, d). As condições de funcionamento são as seguintes: se o nível 
for ‘a’, então fecha-se a válvula P. Se o nível for inferior a ‘b’ então abre-se a válvula P. 
Acima de ‘b’, M1 e M2 bombeiam. Abaixo de ‘b’, somente M1 bombeia. Abaixo de ‘c’ soa o 
alarme AL. Em ‘d’, nenhuma das bombas deverá funcionar. 
 
 
 
 
Ex. 5 – Elaborar um programa Ladder para processo industrial em que uma esteira acionada 
por um motor E transporta garrafas de três tamanhos (pequena, média e grande) que 
sensibilizam os sensores óticos A, B, C, conforme a figura. O processo tem início quando a 
botoeira L é acionada, e interrompido pela botoeira D. A seleção do tipo de garrafa é feita a 
partir de uma chave seletora de três posições (P, M, G). Assim, caso, por exemplo, sejam 
selecionadas garrafas grandes, a esteira deve parar e o alarme soar caso uma garrafa 
pequena ou média seja detectada. Após a retirada manual da garrafa indesejada, o operador 
deve religar o sistema em L. 
 
Ex. 6: Elaborar um programa Ladder utilizando uma botoeiras B1 para Ligar as Bomba 1 e 2 , 
de tal forma que a Bomba 1 liga quando B1 for acionada e a Bomba 2 liga após 10s de 
funcionamento da Bomba 1. O desligamento individualizado se faz por botoeiras. 
 
 
Ex. 7: Elaborar um programa Ladder utilizando uma botoeiras B1 para Ligar as Bomba 1 e 2 , 
de tal forma que a Bomba 1 liga quando B1 for acionada e a Bomba 2 liga após 11s de 
funcionamento da Bomba 1. O desligamento de ambas as Bombas ocorre após 6s de 
funcionamento da Bomba 2. 
 
Ex. 8: Elaborar um programa Ladder utilizando duas botoeiras L1 e L2 para Ligar as Bomba 
1 e 2 , de tal forma que a Bomba 1 liga quando L1 for acionada e desliga quando a Bomba 2 
for ligada. A Bomba 2 liga após 10s de funcionamento da Bomba 1 e desliga após 10s de 
seu funcionamento. Se ocorrer o acionamento da botoeira L2 e qualquer instante, ambas as 
Bombas terão que ficar desligadas. 
 
Ex. 9 – Elaborar um programa Ladder que ligue (L1) três motores simultaneamente e 
desligue (D1) cada um deles em seqüência a cada 2s. 
 
Ex. 10 – Elaborar um programa Ladder para realizar a partida estrela/triângulo de um motor 
de indução. O motor deve partir em estrela e 100ms depois deve ser realizada a comutação 
para triângulo. Depois substituir o tempo para 2s pra podermos perceber a comutação. 
 
Ex. 11 – Elaborar um Ladder para controlar um semaforo de 2 fases, respeitando o grafico 
de tempo a seguir. 
 C A R T Ã O D E 
S A ÍD A 
S 0 32 .0 
S 0 32 .1 
S 0 32 .2 
S 0 32 .3 
S 0 32 .4 
S 0 32 .5 
S 0 32 .6 
S 0 32 .7 
 
O V 
V D A M V M V D A M V M 
SE M Á F O RO 0 2 S E M Á FO R O 0 1
5 se g 1 0 s eg 5 se g 1 0 seg 
S 
E
M
Á 
F 
O
R
O 
 
 1 
 
V M 
 
A M 
 
V D 
 
V M 
 
A M 
 
V D 
S 
E
M
Á 
F 
O
R
O 
 
 2 
 
Ex. 12 – Elaborar um Ladder para controlar o semaforo anterior, e incluir o sinais para os 
pedestres (Verde e Vermelho). 
 
Ex. 13 – Elaborar um Ladder para controlar um semaforo de 3 fases, sendo que a liberação 
(sinal verde) das fases são feitas uma de cada vez. 
Ex. 14 – O número de partidas de um grande motor deve ser limitado para minimizar os 
efeitos provocados na isolação do motor pelo grande consumo de corrente na partida. Por 
esta razão o número de partidas deverá ser limitado a 3. Para partidas adicionais o 
supervisor deverá zerar o contador de partidas através de um botão NA. Elaborar o 
programa Ladder para realizar esta tarefa. 
 
Ex. 15 - Elaborar um programa Ladder aplicativo que implemente o controle de enchimento 
de um tanque de um reservatório. Sempre que o nível cair abaixo de um mínimo permitido 
(sensor F1), a válvula Y1 liga e a válvula Y2 desliga. Por outro lado, quando o nível atingir o 
sensor F2 a válvula alimentadora Y1 deve ser desligada e a válvula Y2 acionada. 
 
 
Ex. 16 - Criar um programa Ladder para controlar o tanque a seguir. O tanque será cheio 
até o nível de 10 metros. A cada metro de água o sensor SN1(I0) manda um pulso para o 
CLP. Quando o nível do tanque atingir 10 metros, a válvula XSV 131(O0) será fechada e a 
válvula XSV 132(O1) será liberada durante 5 segundos (tempo suficiente para esvaziar o 
tanque), reiniciado o enchimento. 
 
Ex. 17 - Imaginemos um sistema de segurança de uma loja num centro comercial. Existem 3 
sensor de contato (A,B e C) que, ligado (On, V ou 1), indica que a portas estão fechada. 
Existem outros 2 sensores infravermelhos IR (D e E) que, ligados, indicam que não há 
pessoas ou coisas a moverem-se no interior da loja. Há, também, 2 alarmes que são 
acionado após 1 minuto da chave de alarme ligado for ligada, onde 1 alarme que é acionado 
quando 1 dos 3 sensores de portas for desligado. Isto é, basta 1 único sensor ser 
desativado para soar o alarme. E o outro alarme que é acionado quando os 2 sensores IR 
forem desligados, indicando a presença de movimento na loja. Elaborar um programa 
Ladder para o sistema de segurança descrito acima. 
 
Ex. 18 - Criar um programa Ladder para controlar os motores ME e MD de um carrinho (ME 
���� faz o carrinho andar para a esquerda e MD ���� faz o carrinho andar para a direita). Este 
carrinho deverá ir para a outra ponta toda vez que for pressionado o botão Bot1. Quando ele 
estiver em movimento, ao encostar nos sensores de fim de curso SEsq e SDir deverá parar. 
Quando energizado o carrinho deverá ir para o lado esquerdo. 
 
SEsq SDir 
 
 
 
 
 
 
 
 
ME
Ex. 19 - A figura abaixo mostra um misturador usado para fazer cores personalizadas de 
tinta. 
 
Existem dois encanamentos no topo do tanque e um encanamento no fundo. Cada 
um fornece um ingrediente diferente, e o encanamento no fundo do tanque transporta 
a tinta misturada, já finalizada. Nessa aplicação, será necessário controlar a operação 
de preenchimento do tanque, monitorar o nível, controlar o misturador e o período de 
aquecimento. A seguir, temos os passos de 1 a 8 : 
1º passo – Adicione o ingrediente 1. 
2º passo – Adicione o ingrediente 2. Obs. A utilização do 1 º ou do 2º ingrediente é 
independente. 
3º passo – Manter o status da bomba se a chave “START” estiver aberta. 
4º passo – Monitore o nível do tanque para o acionamento da chave “ igh Level”, utilizando 
um sensor de nível. 
5º passo – Quando o nível alto for atingido, ligue o motor do misturador e a válvula 
de vapor (esta por 15 
segundos). 
6º passo – Terminado o tempo, drene o tanque da mistura através da válvula de 
drenagem "Drain Valve" e da 
bomba de drenagem "Drain Pump". 
7º passo – Quando a chave “Low Level” for ativada, desligue o motor do misturador. 
8º passo – Quando o sensor de escoamento indicar que o tanque esvaziou, desligue 
a válvula e a bomba de drenagem. 
Elabore um programa em LADDER para controlar o processo e crie um modo de 
contar quantas vezes este processo é realizado por completo. 
 
 
 
 
 
 
 
 
 
 
 
 
.

Mais conteúdos dessa disciplina